Comparatore di fase e frequenza
In elettronica un Phase-Frequency Detector (PFD), in italiano comparatore di fase e frequenza, è un componente in grado di misurare la differenza di fase tra due segnali in ingresso. In particolare, a differenza di altri tipi di phase detector, restituisce un segnale proporzionale alla differenza di fase sia in modulo che in segno.
Il comparatore di fase e frequenza è in sostanza una macchina a stati finiti che permette di determinare quale dei due segnali in ingresso ha un attraversamento dello zero prima oppure più frequentemente.
Funzionamento


Il comparatore di fase e frequenza (PFD, phase frequency detector) è una macchina a stati finiti a due uscite che permette di determinare quale dei due segnali in ingresso ha un attraversamento dello zero prima oppure più frequentemente[1][2].
Il PFD non è sensibile al livello, ma appunto ai fronti del segnale (ad esempio, fronti in salita). Supponiamo tanto per fissare le idee che il PFD si trovi nello stato di RESET, in cui entrambe le uscite sono nulle: non appena occorre un fronte del primo segnale (nel caso considerato, il riferimento di frequenza della PLL), l'uscita UP viene posta a 1 mentre l'uscita DOWN rimane a zero (stato A). Il circuito rimarrà in questo stato fino a che non arriverà un fronte del secondo segnale (cioè l'uscita retroazionata della PLL) che riporterà il circuito nello stato di RESET. Dualmente, se il primo fronte ad arrivare è quello del secondo segnale, sarà l'uscita DOWN ad andare a 1 mentre UP resterà a zero (stato B): il PFD manterrà questo stato fino all'arrivo di un fronte del primo segnale. Nella figura sottostante si vede il diagramma a stati del sistema, dove con U1 e U2 non si intende il livello dei segnali ma un loro fronte positivo.
Nel caso semplice di due segnali in ritardo di fase e alla stessa frequenza, quello che si osserverà è semplicemente l'alternarsi periodico di due stati: lo stato A (o B) e quello di RESET. Se i segnali sono anche in fase, si osserverà unicamente uno dei due stati A o B, ossia quello immediatamente antecedente al raggiungimento di tale situazione. Più complicata è la situazione in cui i segnali non hanno la stessa frequenza.
Una possibile implementazione del circuito con due flip-flop D la si può vedere nello schematico a destra.
I comparatori di fase frequenza trovano anche applicazione integrati con i sistemi logici integrati sequenziali e combinatori.
Comparatore di fase con flip-flopJK

Il comparatore di tipo JK può funzionare con input non simmetrici (fronti crescenti). Quando gli ingressi hanno fasi di segno opposto, la tensione in un'uscita dl filtro passante converge a zero, qualora il flip-flop sia polarizzato tra le tensioni (-1, +1).
In particolare. quando i due segnali di ingresso hanno uno sfasamento di 360°, la tensione di uscita media raggiunge il massimo, pari a +1; quando, al contrario, i due ingressi sono perfettamente in fase, la tensione di uscita raggiunge il suo minimo, pari a-1.
Il comparatore a flip-flop JK è un rilevatore di fase, che però non è in grado di fungere anche da rilevatore di frequenza.
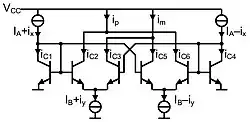
Comparatore di fase con moltiplicatore di Gilbert

Il moltiplicatore di Gilbert può fungere da comparatore di fase. Infatti, se i due segnali di ingresso sono alla stessa frequenza, l'uscita (precedentemente filtrata) sarà proporzionale alla differenza di fase secondo:
- ,
dove Il fattore K è proporzionale alle due ampiezze di ingresso.

Si può quindi dedurre che questo rilevatore di fase è non lineare[3].
Per i segnali di ingresso di diverse frequenze, l'uscita non è più coerente e il rivelatore non svolge più il suo ruolo: si dice che è sensibile solo alla differenza di fase ma che non funziona per diverse frequenze di ingresso.
Infine, occorre prestare attenzione al fatto che il guadagno è sensibile anche in funzione delle ampiezze di input.
Comparatore di fase con OR esclusivo

Nel Comparatore di fase di tipo OR esclusivo, la media del segnale di uscita è proporzionale alla differenza di fase tra i due ingressi. Ad esempio, se la differenza di fase tra XRIF e XCOMP è di 90 gradi, il segnale di uscita avrà un fattore di utilizzazione del 50%, fatto che causa un valore medio di 0 per un'uscita variabile tra -1 e +1.
Se lo sfasamento differisce da 90 gradi, le variazioni del rapporti ciclico (duty cycle) dei segnali saranno proporzionali alla differenza di fase fra i segnali in ingresso, e il valore medio del segnale di uscita con esso. D'altra parte, se i segnali di ingresso non sono simmetrici, ad esempio con un duty cycle diverso dal 50%, il campo di rilevamento viene ridotto. Per un segnale di ingresso con duty cycle 5%, il campo di rilevamento diventa solo 5 * (2pi) / 100.
Questo sistema è un rivelatore di fase, ma non un rilevatore di frequenza.
Note
Bibliografia
- (EN) Behzad Razavi, RF Microelectronics, Upper Saddle River, NJ, Prentice Hall, 1998, ISBN 0-13-887571-5.
- (EN) Roland E. Best, Phase-locked loops: design, simulation, and applications, New York, McGraw-Hill, 2007, ISBN 0-07-149375-1.