Trasformatore

Uno dei simboli circuitali convenzionali del trasformatore

Il trasformatore è una macchina elettrica statica, funzionante in corrente alternata e basata sul fenomeno dell'induzione elettromagnetica. Trasforma un sistema di tensione e corrente alternata in un altro sistema generalmente di differenti valori di tensione e corrente, alla stessa frequenza, allo scopo di trasmettere la potenza elettrica.[1] Nel trasferimento di energia elettrica, separa il circuito elettrico di ingresso denominato primario, da quello di uscita denominato secondario, tramite accoppiamento induttivo.[2]

Durante la trasformazione c'è sempre una quantità di perdita, che ne determina l'efficienza.

È una macchina reversibile.

Descrizione

Simbolo generico di trasformatore secondo lo standard IEC 60417

In un trasformatore la corrente elettrica nell'avvolgimento primario genera un flusso magnetico variabile nel nucleo del trasformatore e di conseguenza un campo magnetico variabile attraverso l'avvolgimento primario (legge di Faraday e legge di Lenz). Questo campo magnetico variabile induce una forza elettromotrice, o tensione, nell'avvolgimento secondario. Questo effetto è chiamato mutua induzione.

Il trasformatore è una macchina in grado di operare esclusivamente in corrente alternata, perché sfrutta i principi dell'elettromagnetismo legati ai flussi variabili. Se invece la tensione in ingresso nell'avvolgimento primario è continua il flusso magnetico è costante e non c'è alcun trasferimento di tensione e corrente sull'avvolgimento secondario in uscita. Anzi, in queste condizioni avremmo in ingresso una corrente molto elevata, tendente a infinito se la resistenza dell'avvolgimento è nulla, con la conseguenza di un pericoloso danneggiamento irreversibile (il trasformatore potrebbe addirittura incendiarsi). Il rendimento di un trasformatore è molto alto e le perdite sono molto basse (nel ferro, per effetto dell'isteresi e delle correnti parassite, e nel rame, per effetto Joule). Vi è da aggiungere che nel caso di circuiti interamente superconduttori un trasformatore può operare teoricamente senza limitazione di frequenza inferiore, purché ovviamente maggiore di zero.

Se un carico elettrico è collegato all'avvolgimento secondario, una corrente elettrica vi scorre e l'energia, tramite il trasformatore, viene trasferita dal circuito primario al carico. In un trasformatore ideale, la tensione indotta nell'avvolgimento secondario è in proporzione alla tensione primaria (VP), ed è data dal rapporto fra il numero delle spire dell'avvolgimento primario (NP) e il numero di spire dell'avvolgimento secondario (NS) come segue:

Con un'appropriata scelta del rapporto delle spire, il trasformatore consente quindi di aumentare la tensione a corrente alternata, ponendo NS maggiore di NP , oppure di diminuirla ponendo NS minore di NP.

Nella grande maggioranza dei trasformatori, gli avvolgimenti si trovano attorno a un nucleo ferromagnetico, essendo i trasformatori in aria delle eccezioni.

I trasformatori sono disponibili in una vasta gamma di dimensioni, dal trasformatore d'accoppiamento della grandezza dell'unghia del pollice situato all'interno di un microfono da scena, alle unità grandissime, dal peso di centinaia di tonnellate, utilizzati per interconnettere porzioni di reti di energia nazionali. Tutti funzionano mediante gli stessi principi basilari, benché la gamma dei progetti sia ampia. Sebbene nuove tecnologie abbiano rimosso l'esigenza di trasformatori in alcuni circuiti elettronici, i trasformatori sono ancora presenti in quasi tutti i dispositivi elettronici progettati per utilizzare le tensioni fornite dalle reti di distribuzione per l'alimentazione elettrica negli ambienti domestici. I trasformatori sono essenziali per la trasmissione di energia a grande distanza, resa praticabile dall'innalzamento ad alte tensioni.

Il nuovo simbolo circuitale del trasformatore è composto da due cerchi con intersezione.

Storia

Invenzione

Michael Faraday scoprì il principio dell'induzione nel 1831 (chiamato poi legge di induzione di Faraday) ed eseguì i primi esperimenti di induzione con bobine di filo, compreso l'assemblaggio di un paio di bobine su un nucleo magnetico toroidale chiuso. Il 29 agosto 1831 Faraday inventò l'anello a induzione, il primo trasformatore. Egli lo usò per dimostrare i principi dell'induzione elettromagnetica e non ne intravide un uso pratico.[3]

Bobine di induzione

Il primo tipo di trasformatore a vedere un vasto uso fu la bobina di induzione, inventata dal reverendo Nicholas Callan del collegio di Maynooth, in Irlanda nel 1836. Fu uno dei primi ricercatori a rendersi conto che, più spire l'avvolgimento secondario aveva rispetto all'avvolgimento primario, maggiore era la forza elettromotrice. Le bobine di induzione si sono sviluppate dai tentativi di scienziati e inventori intesi a ottenere tensioni più elevate dalle batterie. Dato che le batterie producono corrente continua, le bobine d'induzione si affidavano a contatti elettrici vibranti che interrompevano regolarmente la corrente nel primario per creare le variazioni di flusso necessarie per l'induzione. Tra il 1830 e il 1870, gli sforzi per ottenere delle bobine di induzione migliori, per lo più a tentativi, lentamente rivelarono i principi basilari dei trasformatori.

Nel 1876 l'ingegnere russo Pavel Jabločkov inventò un sistema di illuminazione basato su un insieme di bobine di induzione in cui gli avvolgimenti primari erano collegati a una sorgente di corrente alternata e gli avvolgimenti secondari potevano essere collegati ad alcune lampade ad arco di sua invenzione. Le bobine che Jabločkov utilizzò funzionavano essenzialmente come dei trasformatori.

Le bobine di induzione con circuiti magnetici aperti sono poco efficienti per il trasferimento di energia ai carichi. Fino al 1880 circa, il modello per la trasmissione di energia in corrente alternata da un generatore ad alta tensione a un carico a bassa tensione era un circuito in serie. Trasformatori a nucleo aperto con un rapporto prossimo a 1:1 erano collegati con i loro primari in serie per consentire l'impiego di una tensione elevata per la trasmissione pure presentando una bassa tensione alle lampadine. L'inerente difetto di questo metodo era che lo spegnimento di una singola lampada aveva effetto sulla tensione fornita alle altre lampade nello stesso circuito. Parecchi progetti vennero introdotti per compensare questa caratteristica problematica del circuito in serie, compresi quelli che impiegavano metodi di regolazione del nucleo o di derivazione del flusso magnetico attorno a una parte della bobina.

Nel 1878, la Società Ganz in Ungheria iniziava a produrre equipaggiamenti per l'illuminazione elettrica ed entro il 1883 riuscì a installare oltre cinquanta sistemi in Austria-Ungheria. I loro sistemi usavano esclusivamente corrente alternata e annoveravano quelli che comprendevano sia lampade ad arco sia lampade a incandescenza, insieme con generatori e altri equipaggiamenti.

Lucien Gaulard e John Dixon Gibbs per primi esposero un dispositivo con un nucleo di ferro aperto denominato generatore secondario a Londra nel 1882, poi vendettero l'idea alla Società Westinghouse negli Stati Uniti. Fu il primo trasformatore di uso pratico; impiegava un nucleo lineare, abbandonato poi in favore del nucleo circolare. Esibirono l'invenzione anche a Torino, nel 1884, dove venne adottato per un sistema di illuminazione elettrica.[4] Nondimeno, l'efficienza del loro apparato bipolare a nucleo aperto rimaneva bassa.[5]

Progetti di trasformatori pratici, efficienti, non apparvero fino al 1880, ma nel giro di un decennio il trasformatore sarebbe diventato uno degli artefici dell'affermazione della corrente alternata sulla corrente continua nella guerra delle correnti fra Nikola Tesla e Thomas Edison.[6]

Trasformatori a nucleo chiuso per illuminazione

Il prototipo del primo trasformatore ad alta efficienza, (Széchenyi István Memorial Exhibition, Nagycenk, Ungheria, 1885)

Tra il 1884 e il 1885, gli ingegneri della Società Ganz di Budapest, Károly Zipernowsky, Ottó Bláthy e Miksa Déri avevano deciso che i dispositivi a nucleo aperto erano impraticabili, poiché erano incapaci di regolare in modo affidabile la tensione. Nella loro richiesta unita di brevetto per i trasformatori Z.B.D, descrivevano il progetto di due trasformatori senza poli: il trasformatore a nucleo chiuso e il trasformatore a nucleo a guscio. Nel tipo a nucleo chiuso, i conduttori degli avvolgimenti primario e secondario venivano avvolti attorno a un anello di ferro chiuso; nel tipo a nucleo a guscio venivano fatti passare nel nucleo di ferro. In entrambi i progetti, il flusso magnetico che collega l'avvolgimento primario con l'avvolgimento secondario si propaga quasi interamente all'interno del nucleo di ferro, senza nessun tratto intenzionale nell'aria. Impiegato nelle reti di distribuzione elettrica, questo concetto progettuale rivoluzionario rese alla fine tecnicamente ed economicamente fattibile fornire energia elettrica per l'illuminazione delle abitazioni e degli spazi commerciali. Bláthy aveva suggerito l'impiego di nuclei chiusi, Zipernowssky l'uso di collegamenti in parallelo, e Dèry aveva eseguito gli esperimenti. Bláthy trovò pure la formula del trasformatore, Vs/Vp = Ns/Np, e i sistemi elettrici ed elettronici in tutto il mondo continuano a dipendere dai principi dei trasformatori originali ZBD. Gli inventori divulgarono pure la parola trasformatore per descrivere un dispositivo per modificare la forza elettromotrice di una corrente elettrica, sebbene il termine fosse già in uso dal 1882.

George Westinghouse aveva acquisito i brevetti di Gaulard e Gibbs nel 1885, e aveva comperato un'opzione sul progetto ZBD. Affidò la costruzione di un dispositivo a uso commerciale all'ingegner William Stanley. Il primo progetto brevettato di Stanley furono delle bobine di induzione con nuclei singoli di ferro dolce e traferri regolabili per aggiustare la FEM presente nell'avvolgimento secondario. Egli utilizzò per il nucleo due ferri sagomati a forma di E. Questo progetto fu usato commercialmente la prima volta nel 1886.[7] Westinghouse di lì a poco fece lavorare il suo gruppo su un progetto il cui nucleo includeva una pila di lamine di forma a E, separate individualmente o a coppie da fogli sottili di carta o altro materiale isolante. Bobine di rame pre-avvolte potevano quindi venire infilate in sede, e strisce di ferro posate per creare un circuito magnetico chiuso. Westinghouse fece domanda di brevetto per il nuovo progetto nel 1886; venne concesso nel dicembre 1886.

L'ingegnere russo Michail Dolivo-Dobrovol'skij sviluppò il primo trasformatore trifase nel 1889. Nel 1891 Nikola Tesla inventò la bobina di Tesla, un trasformatore in aria risonante, a doppio accordo, per generare delle tensioni molto elevate ad alta frequenza. Trasformatori ad audio frequenza vennero usati per i primissimi esperimenti di sviluppo del telefono.

Impiego nel trasporto e nella distribuzione dell'energia elettrica

Trasformatore di media tensione su palo in una zona rurale. Alla sommità del palo si vede l'arrivo dei tre conduttori della media tensione con isolatori in vetro, appena sotto si vedono gli scaricatori per le sovratensioni di origine atmosferica, alla cui altezza partono anche due cavi di uscita verso le utenze in bassa tensione. Alla sinistra del trasformatore è visibile il vaso di espansione dell'olio di raffreddamento, contenuto nella carcassa metallica.

Il trasformatore viene ampiamente usato nelle cabine elettriche di trasformazione della rete elettrica come mezzo di interfacciamento tra le reti di trasmissione elettrica ad alta e altissima tensione e quelle di distribuzione a media e bassa tensione che collegano le centrali elettriche di produzione alle stazioni di trasformazione e, infine, alle utenze finali (industriali e domestiche). È altresì utilizzato, con analoghe finalità, come elemento fondamentale degli alimentatori e dei caricabatterie degli apparecchi elettrici ed elettronici utilizzati in ambito domestico e industriale. Infatti, la potenza attiva che le centrali elettriche immettono nella rete di trasmissione deve essere trasportata anche per centinaia di km[8] . La potenza elettrica è legata in maniera diretta ai parametri di tensione V e intensità di corrente I, secondo la formula:

dove , detto fattore di potenza, è il coseno dell'angolo di sfasamento fra tensione e corrente.

Ciò significa che a parità di potenza aumentando la tensione V diminuisce l'intensità di corrente I (e si deve mantenere più vicino possibile al valore unitario).[9] Parte della potenza trasportata nei conduttori elettrici è dissipata in forma di calore per effetto Joule, che è proporzionale alla resistenza della linea e al quadrato dell'intensità di corrente, quindi più è intensa la corrente e più calore si genera. Al fine di minimizzare tale effetto si deve quindi diminuire la resistenza o l'intensità di corrente. Per ridurre la resistenza, bisogna aumentare la sezione dei conduttori, ma esiste un limite economico e tecnologico nel dimensionamento delle linee elettriche, oltre che al maggiore peso dei cavi che devono essere sorretti dai tralicci della rete di distribuzione.

Al fine quindi di abbassare l'intensità di corrente I si effettua una trasformazione aumentando la tensione V a parità di potenza P. Diminuendo le distanze da percorrere e la potenza da trasportare viene anche meno l'esigenza di avere tensioni alte, se a questo si associa anche l'esigenza di avere per l'uso domestico e industriale un livello di tensione compatibile con le esigenze di sicurezza, ne segue che dalla produzione alla distribuzione sono necessarie un numero adeguato di trasformazioni verso tensioni via via più basse.

La macchina elettrica che si occupa di effettuare tali trasformazioni è appunto il trasformatore.

A titolo di esempio, viene presentato un elenco delle tensioni tipiche di esercizio degli impianti elettrici:

  • 230 V (tra fase e neutro)/400 V (concatenata, tra fase e fase): tensione armonizzata per sistemi trifase in bassa tensione[10]
  • 15, 20 kV: tensioni nominali delle linee elettriche di distribuzione secondaria (media tensione, lunghezza di alcune decine di km)[11]
  • 132, 150, 220, 380 kV: tensioni nominali delle linee elettriche di distribuzione primaria (alta tensione, lunghezza di alcune centinaia di km)[12]

Principio di funzionamento

Schema del principio di funzionamento di un trasformatore monofase

Il trasformatore più semplice è costituito da due avvolgimenti di filo conduttore (solenoidi) avvolti su un anello di materiale ferromagnetico detto nucleo magnetico. L'avvolgimento al quale viene fornita energia viene detto primario, mentre quello dal quale l'energia è prelevata è detto secondario.[13] I trasformatori sono macchine reversibili, per cui l'avvolgimento primario potrebbe essere anche visto come secondario e viceversa. Quando sul primario viene applicata una tensione elettrica alternata sinusoidale, per effetto dell'induzione magnetica si crea nel nucleo un flusso magnetico con andamento sinusoidale. Per la legge di Faraday-Neumann-Lenz, questo flusso variabile induce nel secondario una tensione sinusoidale.

La tensione prodotta nel secondario è proporzionale al rapporto tra il numero di spire del primario e quelle del secondario secondo la relazione:[13]

dove Vp è la tensione applicata sul primario, Vs la tensione indotta sul secondario, Np il numero di spire del primario e Ns il numero di spire del secondario, k0 è chiamato rapporto di trasformazione.

Per una tensione sinusoidale di ampiezza massima Em il valore efficace E vale:

Trascurando le perdite, la relazione tra tensione, numero di spire, intensità di flusso e sezione del nucleo è data dalla relazione:

Dove E è il valore efficace (RMS) della tensione indotta, f è la frequenza in Hertz, N è il numero di spire dell'avvolgimento al quale si fa riferimento, S è la sezione del nucleo (in m2) e B è il valore dell'induzione in tesla.

Il trasformatore è fondato su due principi:

  • una corrente elettrica variabile produce un campo magnetico variabile da cui un flusso variabile;
  • un flusso variabile nel tempo induce all'interno di un conduttore elettrico una tensione, a sua volta variabile nel tempo, ai suoi capi. Variando la corrente nell'avvolgimento primario varia il campo magnetico sviluppato. Il flusso magnetico induce una tensione nell'avvolgimento secondario.
Trasformatore ideale

La corrente passando attraverso l'avvolgimento primario crea un campo magnetico. Gli avvolgimenti primario e secondario sono avvolti attorno a un nucleo magnetico di elevata permeabilità magnetica come il ferro, cosicché la massima parte del flusso passi sia attraverso l'avvolgimento primario sia nel secondario.

La descrizione semplificata succitata tralascia parecchi fattori pratici, in particolare la corrente primaria necessaria per costituire un campo magnetico nel nucleo, e la contribuzione al campo causata dalla corrente nel circuito secondario.

I modelli di un trasformatore ideale normalmente assumono un nucleo di riluttanza magnetica trascurabile con avvolgimenti di resistenza elettrica zero. La corrente necessaria per originare il flusso è chiamata corrente di magnetizzazione; dato che si assume che il nucleo abbia riluttanza zero, la corrente di magnetizzazione è trascurabile, tuttavia ancora necessaria per creare il campo magnetico.

Il campo magnetico variabile induce una FEM da un capo all'altro di ciascun avvolgimento. Le tensioni VP e VS misurate ai terminali del trasformatore, sono uguali alle corrispondenti FEM. La FEM primaria, agendo come fa in opposizione alla tensione del primario, è talvolta chiamata forza controelettromotrice. Ciò è dovuto alla legge di Lenz che stabilisce che l'induzione di una FEM sia sempre tale da opporsi alla variazione del campo magnetico che l'ha indotta.

Legge di induzione

La tensione indotta ai capi dell'avvolgimento secondario può essere calcolato con la legge dell'induzione di Lenz e Faraday:

dove VS è la tensione istantanea, NS è il numero delle spire dell'avvolgimento secondario e equivale al flusso del campo magnetico attraverso una spira dell'avvolgimento. Se le spire dell'avvolgimento sono perpendicolari alle linee di campo magnetico, il flusso è il prodotto dell'intensità B del campo magnetico e dell'area A attraverso la quale esso taglia. L'area è costante, essendo uguale alla sezione trasversa del nucleo del trasformatore, mentre il flusso magnetico varia con il tempo secondo l'eccitazione del primario. Poiché il medesimo campo magnetico attraversa entrambi gli avvolgimenti primario e secondario, in un trasformatore teorico

Il rapporto delle due equazioni VS e VP dà l'equazione di base

Equazione della potenza ideale

Il trasformatore ideale come elemento circuitale

Se l'avvolgimento secondario è collegato a un carico che consenta alla corrente di fluire, dell'energia elettrica viene trasferita dal circuito primario al circuito secondario. Idealmente, il trasformatore sia perfettamente efficiente; tutta l'energia in entrata sia mutata radicalmente dal circuito primario in campo magnetico e in energia nel circuito secondario. Se queste condizioni sono soddisfatte, la potenza elettrica in entrata deve essere eguale alla potenza in uscita.

che fornisce l'equazione ideale della trasformazione

Se i trasformatori sono così efficienti questa formula è approssimazione ragionevole.

Se la tensione viene aumentata, allora la corrente viene ridotta con lo stesso fattore. L'impedenza di un circuito viene trasformata con il quadrato del rapporto delle spire. Per esempio, se un'impedenza ZS fosse collegata ai terminali dell'avvolgimento secondario, essa apparirebbe al circuito primario come un'impedenza di . Questa relazione è reciproca, cosicché l'impedenza ZP del circuito primario apparirebbe al secondario come .

Flusso disperso

Flusso magnetico nel nucleo di un trasformatore. Il flusso principale è contrassegnato da linee continue e attraversa entrambi gli avvolgimenti. Il flusso disperso è contrassegnato da linee tratteggiate.

Il modello di trasformatore ideale dà per scontato che tutto il flusso generato dall'avvolgimento primario congiunga tutte le spire di ciascun avvolgimento incluso il primario. In pratica, un po' di flusso si muove di traverso su percorsi che lo portano all'esterno degli avvolgimenti. Tale flusso è denominato flusso disperso, e ha come risultato un'induttanza di dispersione in serie con gli avvolgimenti del trasformatore accoppiati mutualmente. La dispersione sfocia in energia che viene alternativamente immagazzinata e scaricata dai campi magnetici con ogni ciclo dell'alimentatore. Non è esattamente una perdita di potenza, ma sbocca in un fattore di regolazione di tensione minore, che fa sì che la tensione secondaria non riesca a essere proporzionale alla tensione primaria, particolarmente sotto carichi pesanti. I trasformatori sono pertanto progettati per avere bassa induttanza di dispersione.

Tuttavia, in alcune applicazioni, la dispersione può essere una caratteristica desiderabile, e percorsi magnetici lunghi, traferri, e derivatori magnetici possono essere deliberatamente introdotti nei progetti dei trasformatori per limitare la corrente di cortocircuito che fornirà. Trasformatori con perdite possono venire usati per alimentare carichi che esibiscono resistenze negative, come gli archi elettrici, lampade a vapori di mercurio, e i segnali luminosi al neon; e per una sicura manipolazione dei carichi come le saldatrici elettriche ad arco. Inoltre sono utilizzati dei traferri per impedire al trasformatore di saturarsi, specialmente i trasformatori ad audio frequenza nei circuiti che hanno una corrente continua che scorre nei loro avvolgimenti.

Influsso della frequenza

La derivata rispetto al tempo della legge di induzione di Faraday mostra che il flusso nel nucleo è l'integrale rispetto al tempo della tensione applicata.[14] Ipoteticamente un trasformatore ideale funzionerebbe con un'eccitazione a corrente continua, con il flusso del nucleo aumentante linearmente nel tempo.[15] In pratica, il flusso aumenterebbe fino al punto in cui avviene la saturazione magnetica del nucleo, provocando uno smisurato aumento della corrente di magnetizzazione e un surriscaldamento del trasformatore. Tutti i trasformatori operativi devono pertanto funzionare con corrente alternata (o pulsante).[15]

La f.e.m. di un trasformatore a una data intensità di flusso aumenta con la frequenza. Funzionando a frequenze più elevate, i trasformatori possono essere fisicamente più compatti perché un dato nucleo può trasferire maggiore potenza senza raggiungere la saturazione, e minori spire sono necessarie per ottenere la stessa impedenza. Tuttavia, le caratteristiche quali perdite nel nucleo ed effetto pelle nei conduttori pure aumentano con la frequenza. Gli aeroplani e gli equipaggiamenti militari impiegano alimentatori di potenza a 400 Hz, una frequenza di compromesso che riduce il peso dei nuclei e degli avvolgimenti, ma riduce anche le perdite.[16]

Il funzionamento di un trasformatore alla sua tensione di progetto ma ad una frequenza superiore di quella voluta porta a ridurre la corrente di magnetizzazione; alle frequenze inferiori, la corrente di magnetizzazione aumenterà. Il funzionamento di un trasformatore a frequenze diverse dalla sua frequenza di progetto potrà necessitare di accertamento delle tensioni, perdite e raffreddamento per stabilire se è praticabile un uso sicuro. Per esempio, i trasformatori possono necessitare di essere muniti di relè di sovraeccitazione per proteggerli verso le sovratensioni alle frequenze più elevate di quelle nominali. La conoscenza della frequenza naturale degli avvolgimenti dei trasformatori è fondamentale per la determinazione delle risposte al transitorio degli avvolgimenti agli impulsi e alle sovratensioni transitorie di commutazione.

Perdite di energia

Un trasformatore ideale non ha, per definizione, perdite di energia e ha rendimento pari al 100%. Nei trasformatori reali l'energia viene dissipata negli avvolgimenti, nel nucleo e nelle strutture circostanti. I trasformatori di elevata potenza nominale hanno rendimenti maggiori: quelli progettati per la distribuzione dell'energia elettrica normalmente hanno un rendimento del 98%.

Trasformatori sperimentali, dotati di avvolgimenti superconduttori, raggiungono rendimenti del 99,85%. Sebbene l'aumento di efficienza sia piccolo, influisce notevolmente sulle perdite dei grandi trasformatori, diminuendole.

Un piccolo trasformatore in generale offre un rendimento dell'85% in presenza di carico, con perdite e conseguente consumo di energia anche quando non alimenta nessun carico.

Le perdite nel rame variano con la corrente di carico: possono venire espresse con perdite a vuoto e sotto carico. La resistenza degli avvolgimenti è causa delle perdite sotto carico, laddove le perdite per isteresi e correnti parassite contribuiscono per oltre il 99% alle perdite a vuoto.

Le perdite dei trasformatori sono ripartite in perdite negli avvolgimenti, denominate perdite nel rame, perdite nel circuito magnetico, denominate perdite nel ferro e perdite per distorsioni dei campi magnetici, distribuzione non uniforme delle correnti, correnti parassite indotte nelle masse metalliche vicine, denominate perdite addizionali. Le perdite nel trasformatore derivano da:

Resistenza dell'avvolgimento (effetto Joule)
La resistenza dei conduttori è causa del riscaldamento per effetto Joule degli avvolgimenti. Alle frequenze elevate, l'effetto pelle e l'effetto di prossimità creano resistenze addizionali degli avvolgimenti e perdite.
Perdite per isteresi magnetica
Ogni volta che il campo è invertito, una certa quantità di energia è perduta a causa dell'isteresi del nucleo. Tale perdita dipende dal materiale da cui è costituito il nucleo ed è funzione del picco della densità di flusso al quale esso è sottoposto. Inoltre, è proporzionale alla frequenza del ciclo di isteresi.
Perdite per correnti parassite
I materiali ferromagnetici sono buoni conduttori, pertanto un nucleo massiccio fatto di un tale materiale si comporta come una singola spira cortocircuitata per tutta la sua lunghezza. Correnti parassite circolano all'interno del nucleo in un piano normale al flusso e sono responsabili del riscaldamento resistivo del materiale del nucleo. La perdita per correnti parassite è una funzione determinata dal quadrato della frequenza dell'alimentazione e dalla radice quadrata dello spessore del materiale.
Magneto-strizione
Il nucleo ferromagnetico si contrae ed espande leggermente ad ogni ciclo del campo magnetico, a causa delle forze esercitate dal flusso magnetico. Tale effetto è noto come magneto-strizione ed è ciò che produce il rumore sordo e vibrante comunemente associato al funzionamento dei trasformatori. Durante la deformazione del materiale dovuto alla magneto-strizione, l'attrito causa perdite di energia, che contribuiscono anche al riscaldamento del nucleo.
Perdite meccaniche
Oltre alla magneto-strizione, il campo magnetico variabile produce delle forze elettromagnetiche fluttuanti tra gli avvolgimenti primario e secondario. Queste stimolano delle vibrazioni negli oggetti metallici attigui, che si aggiungono al rumore ronzante, e che consumano una piccola quantità di energia.
Perdite di dispersione
L'induttanza di dispersione è di per se stessa poco dissipativa, poiché l'energia fornita ai suoi campi magnetici viene restituita all'alimentatore con ciascun mezzo ciclo successivo. Tuttavia, qualunque flusso disperso che intercetta dei materiali conduttori nelle vicinanze come le strutture di supporto dei trasformatori darà origine a correnti parassite e verrà convertito in calore. Ci sono pure delle perdite per radiazione causate da campi magnetici oscillanti, ma queste sono estremamente piccole.

Convenzione del punto

È usuale che nei simboli schematici dei trasformatori ci sia un punto al termine di ciascuna bobina situata al loro interno, in modo particolare per i trasformatori con avvolgimenti multipli su uno dei due lati primario e secondario o su entrambi. Il proposito dei punti è quello di indicare il verso di ciascun avvolgimento rispetto agli altri avvolgimenti nel trasformatore. Le tensioni al termine di ciascun avvolgimento puntato sono in fase, mentre le correnti che sboccano nel termine puntato di una bobina primaria hanno come risultato una corrente che fuoriesce dal termine puntato di una bobina secondaria.

Costruzione

Nuclei

Trasformatore con nucleo laminato: si possono vedere i bordi delle lamine nella parte superiore della foto

Nuclei con laminati in acciaio

I trasformatori di potenza e quelli a frequenze audio hanno tipicamente nuclei fatti di acciaio al silicio di elevata permeabilità magnetica. L'acciaio ha una permeabilità magnetica molte volte superiore a quella dell'aria, e il nucleo serve di conseguenza a ridurre di parecchio la corrente di magnetizzazione, e a confinare il flusso entro un percorso che accoppia in modo stretto gli avvolgimenti. I primi sviluppatori dei trasformatori presto si resero conto che i nuclei costruiti in ferro intero si risolvevano in perdite per correnti parassite proibitive, e i loro progetti mitigarono questo effetto con nuclei che consistevano in fasci di filo di ferro isolato. Progetti successivi realizzavano il nucleo accatastando strati laminati sottili di acciaio, un espediente tuttora in uso. Ogni lamina è isolata dalle sue vicine con uno strato isolante sottile. L'equazione universale del trasformatore indica la superficie trasversale minima del nucleo per evitare la saturazione.

L'effetto della laminazione è quello di confinare le correnti parassite dentro cammini molto ellittici che racchiudono poco flusso, riducendo così la loro intensità. Laminazioni più sottili riducono le perdite, ma sono più costose e laboriose da produrre. La laminazione sottile è usata generalmente nei trasformatori ad alta frequenza, con laminati di acciaio sottilissimi in grado di operare fino a 10 kHz.

La laminazione del nucleo riduce notevolmente le perdite per correnti parassite

Un progetto comune di nucleo laminato è fatto di lamierini magnetici a forma di E che, isolati con carta incollata su una delle facce o preferibilmente con vernice, vengono sovrapposti in un certo numero in modo da formare la sezione netta di passaggio del flusso. Il circuito magnetico a E viene chiuso con lamierini a forma di I a formare il cosiddetto nucleo E-I. Tale progetto è incline a mostrare più perdite, ma è molto economico da costruire. Il tipo di nucleo a C è fatto avvolgendo una striscia di acciaio attorno a una forma rettangolare e poi legando gli strati insieme. Viene quindi tagliato in due, formando le sagome di due C, e il nucleo viene assemblato legando insieme le due metà con una piattina di acciaio. Hanno il vantaggio che il flusso è sempre parallelo alla direzione della fibra del metallo, cosa che riduce la riluttanza.

Per induzione residua del nucleo di acciaio s'intende che esso ritiene un campo magnetico quando la potenza è rimossa. Quando la potenza è poi riapplicata, il campo residuo provocherà un'elevata corrente di irruzione fino a quando l'effetto del magnetismo rimanente non sia ridotto, normalmente dopo pochi cicli della corrente alternata applicata. Dei dispositivi di protezione contro le sovratensioni come i fusibili devono essere selezionati per permettere a questa innocua irruzione di corrente di passare. Nei trasformatori collegati a lunghe linee di trasporto, le correnti indotte da disturbi geomagnetici durante le tempeste solari possono provocare la saturazione del nucleo e il funzionamento dei dispositivi di protezione. I trasformatori di distribuzione possono realizzare basse perdite senza carico ricorrendo a nuclei fatti di acciaio al silicio a basse perdite ed elevata permeabilità o leghe metalliche amorfe. I costi iniziali più elevati del materiale del nucleo sono alla lunga compensati dalle perdite più basse del trasformatore ai carichi elevati.

Nuclei solidi

I nuclei in polvere di ferro sono usati nei circuiti che lavorano al di sopra delle frequenze delle reti di alimentazione sino a poche decine di Kilohertz. Questi materiali uniscono un'elevata permeabilità magnetica con un'elevata resistività elettrica di massa. Per le frequenze che si estendono oltre la banda ad altissima frequenza (VHF), i nuclei fatti di materiali magnetici ceramici non-conduttori chiamati ferriti sono comuni. Alcuni trasformatori a radio frequenza hanno pure dei nuclei mobili (nuclei regolabili) che consentono di aggiustare il coefficiente di mutuo accoppiamento dei circuiti accordati a radio frequenza.

Nuclei toroidali

Piccolo trasformatore a nucleo toroidale

I trasformatori toroidali sono costruiti attorno a un nucleo anulare, il quale, a seconda dalla frequenza di funzionamento, è fatto o di una lunga piattina di acciaio al silicio o di permalloy (lega di nichel ferro) avvolta a guisa di bobina, di ferro in polvere, o di ferrite. Una costruzione a piattina assicura che l'interfaccia tra grani sia allineata nel modo migliore, migliorando l'efficienza del trasformatore riducendo la riluttanza del nucleo. La forma ad anello chiuso elimina i traferri intrinseci alla produzione di un nucleo E-I. La sezione trasversa dell'anello è normalmente quadrata o rettangolare, ma sono pure disponibili nuclei più costosi a sezione circolare. Le bobine primarie e secondarie sono spesso avvolte concentricamente per ridurre al minimo la generazione di interferenze elettromagnetiche da parte del campo magnetico del nucleo. I trasformatori toroidali sono più efficienti dei tipi laminati E- pari livello di potenza. Altri vantaggi se è comparato ai tipi E-I comprendono una dimensione minore (circa metà), peso minore (circa metà), meno ronzio meccanico (che li rendono superiori negli amplificatori audio), campo magnetico esterno più basso (circa un decimo), perdite a vuoto basse (che li rendono più efficienti nei circuiti in stand-by), montaggio a un solo bullone e maggiore scelta di forme. I maggiori svantaggi sono un costo più elevato e una potenza limitata (si veda la Classificazione di sopra).

I nuclei toroidali di ferrite vengono usati alle alte frequenze, tipicamente da alcune decine di kilohertz a centinaia di megahertz, per ridurre le perdite, le dimensioni fisiche e i pesi degli alimentatori switching (alimentatori a commutazione). Un inconveniente della costruzione dei trasformatori toroidali è il costo maggiore degli avvolgimenti. Quale conseguenza, i trasformatori toroidali non sono comuni al di sopra di alcuni kVA nominali. Piccoli trasformatori di distribuzione possono ottenere alcuni dei benefici del nucleo toroidale fendendolo e aprendolo, e quindi inserire una bobina contenente gli avvolgimenti primario e secondario.

Nucleo in aria

Il nucleo fisico non è un requisito essenziale e un trasformatore funzionante può essere realizzato anche ponendo gli avvolgimenti in stretta vicinanza, realizzazione che prende il nome di trasformatore a nucleo in aria. L'aria in cui si sviluppa il circuito magnetico è essenzialmente senza perdite, e così un trasformatore in aria elimina le perdite causate dall'isteresi dei materiali magnetici. La perdita di induttanza è inevitabilmente elevata, la qual cosa si risolve in una regolazione povera, cosicché soluzioni con nuclei in aria non sono idonee per l'impiego nella distribuzione di potenza. Tuttavia hanno un'ampiezza di banda molto larga e sono frequentemente usate nelle applicazioni a radio frequenza, per le quali viene mantenuto un elevato coefficiente di accoppiamento sovrapponendo accuratamente gli avvolgimenti primario e secondario. Sono pure utilizzati per i trasformatori risonanti come le bobine di Tesla dove possono realizzare ragionevolmente basse perdite nonostante la perdita di induttanza elevata.

Terminali

I piccoli trasformatori sono soliti avere dei conduttori collegati direttamente alle estremità delle bobine e portati alla base dell'unità per il collegamento dei circuiti. I trasformatori più grandi possono avere dei terminali fissati con grossi bulloni, barre collettrici o isolatori passanti ad alta tensione fatti di polimeri o porcellana. Un grande isolatore passante può essere una struttura complessa perché deve fornire il controllo del gradiente del campo elettrico senza che il trasformatore perda olio.

Avvolgimenti

Gli avvolgimenti sono abitualmente disposti concentricamente per rendere minimo il flusso disperso.
Vista in sezione degli avvolgimenti dei trasformatori. Bianco: isolante. Spirale verde: Acciaio al silicio a fibra orientata. Nero: Avvolgimento primario fatto di rame privo di ossigeno Rosso: Avvolgimento secondario. In alto a sinistra: Trasformatore toroidale. Destra: Nucleo a C, tuttavia il nucleo a E sarebbe similare. Gli avvolgimenti neri sono fatti di film. In alto: Piccola capacità tra tutti i terminali di entrambi gli avvolgimenti. Poiché la maggior parte dei nuclei sono almeno moderatamente conduttivi essi necessitano pure di isolamento. in basso: Una capacità più bassa per uno dei terminali dell'avvolgimento secondario è necessaria per i trasformatori di bassa potenza e bassa tensione. In basso a sinistra: Una riduzione dell'induttanza di dispersione condurrebbe a un aumento della capacità.

Il materiale conduttore usato per gli avvolgimenti è subordinato alla sua applicazione, ma in tutti i casi le spire individuali devono essere isolate elettricamente l'una dall'altra per assicurare che la corrente attraversi ciascuna spira. Per trasformatori di piccola potenza e piccoli segnali, in cui le correnti sono piccole e la differenza di potenziale tra le spire adiacenti è pure piccola, le bobine sono spesso avvolti con filo di rame smaltato per magneti, quale il filo Formvar. I grandi trasformatori di potenza che operano con alte tensioni possono essere bobinati con conduttori a strisce rettangolari di rame isolati con carta impregnata d'olio e blocchi di isolanti di cellulosa. I trasformatori ad alta frequenza che operano dalle decine alle centinaia di kilohertz sovente hanno avvolgimenti fatti con filo litz per ridurre al minimo le perdite per effetti pelle e di prossimità. Trasformatori di grossa potenza pure usano conduttori a trefoli multipli, perché altrimenti anche alle potenze a bassa frequenza una distribuzione non uniforme della corrente esisterebbe negli avvolgimenti a elevata intensità di corrente. Ogni trefolo è isolato individualmente, e i trefoli sono così disposti che in certi punti nell'avvolgimento, o dovunque nell'intero avvolgimento ciascuna parte occupi posizioni relative differenti nell'intero conduttore. La trasposizione equalizza la corrente che fluisce in ciascun trefolo del conduttore e riduce le perdite per correnti parassite nel medesimo avvolgimento. Il conduttore a trefoli è pure più flessibile del conduttore solido della medesima misura, agevolando la costruzione. Per i trasformatori di segnali, gli avvolgimenti possono essere disposti in modo tale da rendere minima l'induttanza di dispersione e la capacità parassita per migliorare la risposta alle alte frequenze. Ciò può essere fatto dividendo ogni bobina in sezioni, e collocando le sezioni di un avvolgimento tra le sezioni dell'altro. Ciò e noto come avvolgimento del tipo sovrapposto.

Entrambi gli avvolgimenti primario e secondario dei trasformatori di potenza possono avere delle connessioni a punti intermedi degli avvolgimenti, riportate all'esterno e chiamate prese intermedie, per consentire la scelta del rapporto di trasformazione. Le prese intermedie possono anche essere collegate a un variatore di tensione sotto carico a comando manuale o automatico per la variazione di tensione al secondario senza la necessità di interruzione di erogazione del servizio. I trasformatori ad audiofrequenza impiegati per la distribuzione del segnale audio agli altoparlanti in impianti di pubblica diffusione (supermercati, istituti scolastici, luoghi di culto, grandi locali/officine), sono provvisti di prese intermedie per consentire l'adattamento d'impedenza di ciascun singolo altoparlante facente parte dell'impianto di diffusione sonora. Un trasformatore a presa intermedia centrale viene spesso usato nello stadio d'uscita di un amplificatore di potenza in un circuito in controfase. I trasformatori di modulazione nei trasmettitori a modulazione d'ampiezza sono assai simili.

Alcuni trasformatori hanno gli avvolgimenti impregnati di resina epossidica. Impregnando il trasformatore di resina epossidica sotto vuoto, si può sostituire l'aria all'interno degli avvolgimenti con la resina, sigillando così gli avvolgimenti e aiutando a prevenire la formazione possibile di scariche corona e l'assorbimento di sporcizia e acqua. Ciò produce dei trasformatori adatti ad ambienti umidi e sporchi, ma a costi di produzione maggiori.

Raffreddamento

Vista sezionata di un trasformatore trifase raffreddato a olio. Il serbatoio dell'olio è visibile sulla parte superiore. Alette radianti aiutano la dissipazione del calore.

Il calore dissipato per effetto delle perdite nel trasformatore tende a scaldare la parte attiva; per evitare che questa raggiunga temperature dannose per il materiale, è necessario smaltire il calore prodotto tramite un sistema di raffreddamento. I trasformatori di bassa tensione hanno la parte attiva isolata tramite resine sintetiche, e sono detti trasformatori "a secco".

I trasformatori di alta tensione hanno la parte attiva immersa in olio isolante, che svolge anche la funzione di smaltire il calore prodotto dalla parte attiva. L'olio isolante è solitamente olio minerale, ma esistono anche trasformatori riempiti con oli speciali per alte temperature o con oli vegetali. I trasformatori di media tensione possono avere l'isolamento in resina o in olio. L'isolamento in resina ha una minore capacità di scambio termico, ma una maggiore sicurezza in caso di incendio. Pertanto, i trasformatori installati in ambienti chiusi, se non a secco, sono immersi in oli sintetici ad alto punto di infiammabilità per prevenire il rischio di incendio.

I piccoli trasformatori (potenza di qualche decina di kVA) non generano calore significativo ed il raffreddamento avviene per radiazione attraverso la cassa. I trasformatori di distribuzione MT/BT (potenza di qualche centinaio di kVA) sono dotati di semplici alette addossate alla cassa, per migliorare lo scambio termico per conduzione termica con l'aria. I trasformatori di distribuzione AT/MT (potenza di qualche decina di MVA) sono dotati di radiatori in cui circola per convezione l'olio. I radiatori possono essere dotati di ventilatori per aumentare il flusso d'aria che ne lambisce la superficie. I trasformatori di grande potenza (potenza di centinaia di MVA), tipici delle reti di trasmissione, sono dotati di pompe per favorire la circolazione forzata dell'olio negli scambiatori di calore con elevata superficie di scambio termico e dotati di ventilatori, detti "aerotermi".

I trasformatori immersi in olio devono essere privi di umidità che compromette la tenuta dielettrica dell'olio; pertanto le loro parti attive sono sottoposte a processi di essiccamento prima dell'immersione in olio. Inoltre, essi devono essere dotati di una camera di compensazione per le variazioni del volume dell'olio dovute alle escursioni termiche; per i trasformatori più piccoli, la camera di compensazione è costituita da uno strato di gas inerte (es. azoto) interposto tra il pelo d'olio ed il coperchio della cassa; per i trasformatori più grandi, la camera di compensazione è costituita da una vaso di espansione, detto "conservatore", posto sopra al coperchio della cassa (in questo caso completamente riempita d'olio), e a questa collegato tramite un'apposita tubazione. Il conservatore può essere a pelo libero (a diretto contatto con l'aria), oppure ermetico (la separazione olio/aria è garantita da una membrana elastica). Sulla tubazione di collegamento può essere installato un dispositivo di protezione contro i guasti interni, detto relè di Buchholz.[17][18]

I policlorobifenili (PCB) hanno delle proprietà che un tempo favorivano il loro uso come refrigeranti, tuttavia preoccupazioni per la loro persistenza ambientale portò a un bando generalizzato per il loro impiego. Oggi, oli stabili al silicio, o idrocarburi perfluorati possono essere usati laddove i costi dei liquidi non igniferi pareggiano i costi addizionali di costruzione di una camera di sicurezza per il trasformatore. Prima del 1977, persino i trasformatori che erano nominalmente riempiti solamente di olio potevano pure essere stati contaminati con policlorobifenili fino a 10-20 parti per milione.

Poiché l'olio minerale e il PCB fluido si mescolano, gli equipaggiamenti di manutenzione usati per entrambi i trasformatori a PCB e a olio potrebbero riportare piccole quantità di PCB, contaminando i trasformatori a olio. Alcuni trasformatori a secco (non contenenti liquidi) sono racchiusi in contenitori pressurizzati e sigillati e raffreddati con gas azoto o esafluoruro di zolfo.

Dei trasformatori di potenza sperimentali nella gamma dei 2 MVA sono stati costruiti con avvolgimenti superconduttori che eliminano le perdite nel rame, ma non quelle del nucleo in acciaio. Questi sono raffreddati ad azoto o elio liquidi.

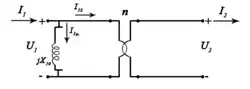
Dal trasformatore ideale al reale

Trasformatore ideale

Per trasformatore ideale in figura si assume la convenzione degli utilizzatori alla porta 1 (primario) e quella dei generatori alla porta 2 (secondario). Questo è governato dalle equazioni simboliche:

dove è il "rapporto di trasformazione".

Un trasformatore reale approssima quello ideale quando:

  • la riluttanza del nucleo è nulla (cioè, la permeabilità magnetica del nucleo è infinita)
  • le perdite nel nucleo sono nulle (cioè, le perdite nel ferro per correnti parassite e isteresi magnetica)
  • gli avvolgimenti hanno accoppiamento perfetto (assenza dei flussi dispersi)
  • le resistenze degli avvolgimenti sono nulle (assenza delle perdite per effetto Joule)

Riluttanza del nucleo non nulla

Usiamo l'ipotesi di accoppiamento perfetto così da concatenare lo stesso flusso di induzione magnetica:

Le tensioni ai morsetti, che coincidono con le f.e.m. indotte, valgono:

Considerando il funzionamento a vuoto, si può scrivere, per la legge di Hopkinson:

avendo indicato con la riluttanza del nucleo e con la polarizzazione magnetica. Possiamo ricavare:

da cui considerando il funzionamento a carico, per il secondo principio di Kirchhoff

risolvendo e sostituendo la precedente equazione ottengo:

quindi la relazione che lega tensioni e correnti del trasformatore ideale diviene:

Perdite nel nucleo non nulle

Oltre alla corrente di magnetizzazione va aggiunta la componente dovuta a perdite per isteresi e correnti parassite detta corrente a vuoto:

così la relazione che lega tensioni e correnti del trasformatore ideale diviene:

Per considerare le perdite per isteresi e correnti parassite che si producono nel nucleo.

Accoppiamento non perfetto tra gli avvolgimenti

L'accoppiamento imperfetto tra gli avvolgimenti è dovuto a linee di flusso che abbandonano il nucleo per richiudersi attraverso percorsi in aria, si avranno così altri 2 flussi:

  • flusso di dispersione al primario
  • flusso di dispersione al secondario

posso definire:

  • reattanza di dispersione a primario
  • reattanza di dispersione a secondario

Resistenza degli avvolgimenti non nulla

Considera la resistenza dei conduttori che costituiscono gli avvolgimenti e poste in serie con le perdite per accoppiamento non perfetto.

Schema completo equivalente

Eliminate tutte le ipotesi di idealità, le f.e.m. indotte dal solo flusso di mutua induzione

mentre le differenze di potenziale effettivamente presente alle porte del trasformatore reale valgono:

ricordando il rapporto di trasformazione:

ottengo relazione che lega tensioni e correnti del trasformatore reale:

queste equazioni descrivono il comportamento del trasformatore reale.

Il trasformatore reale

Trasformatore trifase a bagno d'olio privo del contenitore

Il trasformatore converte la tensione entrante in un valore differente, ma senza aumentare la potenza. Il prodotto della tensione per l'intensità di corrente tra i due circuiti è uguale:

Fattori influenti sul rendimento

Un trasformatore reale però non è una macchina perfetta e per questo presenta delle perdite, ovvero la potenza assorbita dal primario è sempre superiore a quella fornita dal secondario.

I diversi motivi di perdita sono:

  • Potenza dispersa per effetto Joule prodotto dalla corrente che scorre negli avvolgimenti (dette perdite nel rame);
  • Induzione di correnti parassite nel nucleo che possono a loro volta dissipare energia per effetto Joule (dette perdite nel ferro);
  • Perdita di flusso magnetico al di fuori del nucleo che può indurre correnti su oggetti vicini al trasformatore;
  • Perdite per isteresi magnetica (sono perdite nel ferro);
  • Perdite per movimenti meccanici dovuti a forze magnetiche o magnetostrizione, solitamente percettibili come il classico ronzio del trasformatore;

Forme

Piccolo trasformatore toroidale

La forma può essere quella di:

  • Toro, trasformatori toroidali
  • Quadrata o di due rettangoli uniti per un lato, gli avvolgimenti sono posti sul lato comune

Accorgimenti

Per ridurre l'effetto dei vari elementi che diminuiscono il rendimento del trasformatore:

  • Avvolgimenti come caratteristiche devono avere:
    • Minor numero di spire possibile
    • Lunghezza minima: il filo dell'avvolgimento deve essere di lunghezza minore possibile; generalmente questo dipende dalla sezione e dalla forma del nucleo, quadrata o (meglio ancora, dove possibile) circolare.
  • Nucleo, come caratteristica devono avere:
    • Sezione adeguata
    • Una lunghezza minore possibile
    • Essere in materiale ferromagnetico che abbia una resistenza elettrica il più possibile alta, per minimizzare le perdite per effetto Joule e una forza coercitiva il più possibile bassa, per avere un ciclo di isteresi il più possibile stretto (e quindi delle perdite magnetiche minori possibili).
    • Struttura: il nucleo per impedire che circolino correnti parassite non è realizzato in metallo compatto, ma è costituito da sottili lamierini (lamierini di acciaio magnetico al silicio) incollati a formare pacchetti. Nei trasformatori operanti a frequenze elevate il nucleo è costituito da polveri metalliche agglomerate con collanti.
  • Raffreddamento: il raffreddamento è necessario per evitare il surriscaldamento del trasformatore dovuta alla potenza dissipata. È particolarmente importante nei trasformatori funzionanti a potenze elevate. Può essere:
    • ad aria (soluzione tipica dei normali trasformatori ad uso impianti civili e industriali per piccole potenze).
    • a bagno d'olio lavorano in un bagno di olio dentro involucri metallici opportunamente sagomati per facilitare la dispersione del calore
    • a bagno d'olio forzata rispetto al sistema in bagno d'olio sono previste anche delle pompe per la circolazione forzata dell'olio e un sistema di ventilatori esterni per aumentare l'asportazione di calore
    • in resina rispetto agli altri sistemi, gli avvolgimenti sono immersi dentro un'apposita resina, che fa dissipare il calore agli stessi. Questa resina prende il posto dell'olio. Dal trasformatore in resina si possono trarre benefici sulle dimensioni, dato che sono leggermente più piccoli che un trasformatore ad olio.

A tale scopo si riconoscono vari tipi di trasformatori in base al proprio metodo di raffreddamento. La tipologia di raffreddamento si riconosce tramite una sigla composta da due o quattro lettere (due se il trasformatore ha un raffreddamento unico, quattro se il raffreddamento è doppio). Nello specifico, nella sigla la prima lettera mostra che tipo di sostanza si sta utilizzando per il raffreddamento (ad es. Olio, resina, aria), la seconda lettera fa vedere il tipo di circolazione del fluido all'interno del trasformatore (circolazione naturale o forzata). A tale scopo si riconoscono trasformatori di tipo: AN: a circolazione di aria naturale (non forzatamente); ON: a circolazione di olio naturale; AF: a circolazione di aria forzata; ONAN: a circolazione di aria ed olio naturale; OFAF: a circolazione di aria ed olio forzato.

La potenza assorbita da queste funzioni accessorie è considerata tra le perdite.

Tipologie costruttive

Un trasformatore raffreddato ad olio con primario a 10 kV e secondario a doppia tensione 220/380 V, risalente agli anni sessanta

I trasformatori si possono classificare in differenti modi:

  • per potenza nominale: da una frazione di VA (volt-ampere) a oltre il centinaio di MVA;
  • per frequenza: frequenze di rete, frequenza audio, frequenza radio;
  • per tensione: da pochi volt a centinaia di chilovolt;
  • per tipo di raffreddamento: raffreddamento ad aria, con olio, raffreddamento a ventilazione o ad acqua;
  • per applicazione: alimentatori di potenza, accoppiamento d'impedenza, stabilizzazione della tensione e corrente d'uscita, o di isolamento circuitale;
  • per utilizzazione finale: Distribuzione di energia elettrica, raddrizzatori, forni elettrici ad arco, amplificatori d'uscita;
  • per rapporto spire: trasformatore elevatore di tensione, riduttore di tensione, tensione variabile.

Sebbene basati sullo stesso principio, esistono trasformatori di tutte le dimensioni, da quelli grandi pochi millimetri usati in elettronica a grandi macchine alte diversi metri e con potenze di gigawatt usati nelle stazioni di trasformazione in alta/altissima tensione a servizio delle linee di trasmissione dell'energia elettrica. Un'ampia varietà di progetti di trasformatori sono utilizzati per differenti applicazioni, sebbene condividano parecchie caratteristiche. Importanti tipi di trasformatori diffusi annoverano:

Di isolamento

Simbolo del trasformatore di isolamento. In questo caso di un trasformatore di isolamento resistente al cortocircuito.

Si tratta di particolare tipo di trasformatore con rapporto di trasformazione 1:1 che è utilizzato per garantire l'isolamento galvanico in particolari attività per la riduzione del rischio di elettrocuzione. In questi trasformatori l'isolamento elettrico tra gli avvolgimenti è particolarmente curato. Sono usati per disaccoppiare la massa di un apparecchio di misura dalla massa del circuito in esame quando entrambi siano messi a terra. La separazione tra gli avvolgimenti viene generalmente assicurata mediante doppio isolamento oppure per mezzo di uno schermo metallico messo a terra.

Possono essere anche usati per aumentare la sicurezza delle apparecchiature mediche connesse alla rete, ma in questo caso il trasformatore deve essere conforme anche alla norma IEC 61558-2-15, specifica per l'applicazione in locali adibiti ad uso medico. Tra le caratteristiche peculiari, la potenza di uscita non può superare 10 kVA e, se viene utilizzato per alimentare più di un apparecchio medicale contemporaneamente, deve essere dotato di un dispositivo di controllo permanente dell'isolamento non disinseribile.

Applicazioni molto frequenti dei trasformatori di isolamento si trovano in tutti i casi in cui non è possibile avere una messa a terra di tipo tradizionale (es. dispersore nel terreno), si pensi agli automarket o a tutti gli autonegozi che per loro natura essendo ambulanti non possono disporre di un adeguato impianto di messa a terra in tutti i luoghi destinati ai loro spostamenti.

Trasformatore trifase

Stazione di trasformazione elettrica

Sono macchine in grado di convertire una tensione trifase e sono comunemente usati nella rete di distribuzione elettrica. Possono essere costituiti da tre trasformatori monofasi indipendenti, ma spesso sono realizzati con tre avvolgimenti primari e tre secondari montati su un unico nucleo con tre rami paralleli.[19] Gli avvolgimenti possono essere collegati a stella (sigla Y per alta tensione - sigla y per bassa tensione), a triangolo (sigla D per alta tensione - sigla d per bassa tensione) o a zig-zag (sigla Z per alta tensione - sigla z per bassa tensione). Vengono di solito abbinati a degli Isoltester (o "controllori di isolamento"), che permettono di regolare tramite pannello sinottico le varie soglie di resistenza verso terra.

Nel caso si debbano mettere in parallelo due o più trasformatori trifase bisogna, preventivamente, accertarsi che appartengano entrambi al medesimo gruppo. Il gruppo di un trasformatore trifase si definisce come l'angolo di ritardo della bassa tensione rispetto all'alta tensione assumendo come senso antiorario in senso di rotazione dei vettori di tensioni. Solo in questo caso siamo certi di non collegare in cortocircuito i due trasformatori che vogliamo mettere in parallelo. Nei trasformatori commerciali i gruppi più utilizzati sono quattro:

  • Gruppo 0 (nessun sfasamento tra primario e secondario)
  • Gruppo 5 (sfasamento di 150° tra primario e secondario)
  • Gruppo 6 (sfasamento di 180° tra primario e secondario)
  • Gruppo 11 (sfasamento di 330° tra primario e secondario)

Questo angolo di ritardo è dovuto al diverso montaggio degli avvolgimenti del trasformatore. Per fare un semplice esempio se gli avvolgimenti sono stati collegati a stella (sia del primario che del secondario) possiamo avere un trasformatore sia con gruppo 0 sia con gruppo 6. Nel caso uno dei due sia collegato a triangolo e l'altro a stella possiamo avere un trasformatore sia con gruppo 5 sia con gruppo 11.

Trasformatore polifase

Un trasformatore trifase montato su una linea elettrica

Per le alimentazioni trifase può venire usato un banco di tre singoli trasformatori monofase, oppure tutte e tre le fasi possono essere incorporate in un singolo trasformatore trifase. In questo caso, i circuiti magnetici sono connessi insieme, pertanto il nucleo contiene un flusso di campo magnetico trifase. È possibile un numero di configurazioni degli avvolgimenti che danno origine a differenti attributi e sfasamenti. Una configurazione polifase particolare è il collegamento delle fasi a zig-zag impiegato per la messa a massa e la soppressione di armoniche.

Autotrasformatore

Autotrasformatore con contatti a spazzola strisciante
Trasformatore variabile

Un autotrasformatore ha un avvolgimento, anziché due, con due morsetti terminali, più un terzo in una presa intermedia. La tensione primaria è applicata tramite due dei terminali e la tensione secondaria è prelevata da uno di questi e dal terzo. I circuiti primario e secondario hanno pertanto spire in comune. I circuiti hanno quindi una tensione proporzionale al numero di spire.

Autotrasformatore a rapporto di trasformazione variabile con continuità o variac

Sono autotrasformatori in cui la presa intermedia è un contatto strisciante sull'avvolgimento primario: questi apparecchi possono fornire in uscita una tensione regolabile praticamente con continuità tra zero e il valore massimo. Variac è un marchio registrato da General Radio.

A corrente costante

Questi trasformatori mantengono costante entro certi limiti la corrente fornita sul secondario piuttosto che la tensione. In pratica la tensione prodotta si regola automaticamente per mantenere una corrente costante sul carico. Sono costituiti da nucleo interrotto da un traferro la cui apertura è regolata da una sezione mobile del nucleo tirata da un contrappeso. La presenza del traferro determina un aumento della riluttanza, ovvero il rapporto tra la forza magnetomotrice generata dal primario e il flusso di induzione prodotto nel nucleo.

Quando il circuito secondario assorbe troppa corrente, le forze elettromagnetiche provocano l'allargamento del traferro, da cui ne deriva una diminuzione del flusso e quindi la diminuzione della tensione indotta.

Questi trasformatori sono usati per alimentare le lampade di illuminazione pubblica collegate in serie a corrente costante.

Versioni con traferro regolabile manualmente sono usati nelle saldatrici elettriche: in questo caso l'apertura del traferro non è automatica ma impostata dall'utilizzatore con una manopola. L'intensità di corrente è quindi limitata ad un valore prefissato ma non regolata.

Trasformatore a dispersione

Trasformatore a dispersione

Un trasformatore a dispersione, noto pure come trasformatore a flusso disperso, ha un'induttanza di dispersione considerevolmente più elevata di altri tipi di trasformatori, che talvolta è aumentata con un derivatore magnetico nel suo nucleo fra il primario e il secondario, talora regolabile con una vite di aggiustaggio. Ciò provvede un trasformatore con una limitazione di corrente inerente causata da un accoppiamento lasco tra i suoi avvolgimenti primario e secondario. Le correnti in entrata e in uscita sono basse abbastanza da prevenire dei sovraccarichi termici sotto tutte le condizioni di carico, anche se il secondario fosse cortocircuitato.

I trasformatori a flusso disperso sono impiegati per la saldatura ad arco e le lampade a scarica ad alta tensione (lampade al neon e fluorescenti a catodo freddo), che sono collegate in serie fino a 7,5 kV AC). Funziona quindi sia come un trasformatore di tensione sia come un regolatore di corrente magnetico.

Altre applicazioni sono quelle per l'alimentazione di giocattoli e per l'installazione di campanelli d'ingresso, dove è presente l'esigenza di bassissime tensioni per motivi di sicurezza.

Risonante

Un trasformatore risonante è un tipo di trasformatore a dispersione. Utilizza l'induttanza di dispersione dei suoi avvolgimenti secondari in combinazione con dei condensatori esterni, per creare uno o più circuiti risonanti.

Un trasformatore risonante opera alla frequenza di risonanza di uno (o più) avvolgimenti, solitamente il secondario, sfruttando la capacità parassita fra una spira e l'altra dell'avvolgimento. Se il primario è alimentato con una tensione periodica ad onde quadre o dente di sega, ad ogni impulso viene fornita energia sul secondario, che sviluppa progressivamente una tensione molto elevata alla frequenza di risonanza del circuito oscillante. La tensione prodotta è limitata da fenomeni di scarica distruttiva fra le spire dell'avvolgimento risonante e l'intensità di corrente è molto più elevata di quella ottenuta dai generatori elettrostatici come il Generatore Van de Graaff e il Generatore Wimshurst.

Di solito questi trasformatori lavorano a frequenze piuttosto elevate senza scintillare, per cui non hanno bisogno di nucleo magnetico. La bobina di Tesla è un tipico trasformatore risonante.

Una delle applicazioni del trasformatore risonante è per l'invertitore CCFL (Cold Cathode Fluorescent Lamp). Un'altra applicazione del trasformatore risonante è di accoppiare gli stadi dei ricevitori a supereterodina, in cui la selettività del ricevitore è fornita da trasformatori sintonizzati negli amplificatori a media frequenza.

Ferrorisonante

Nel trasformatore ferrorisonante per alimentazione, la caratteristica di risonanza viene sfruttata per ottenere una tensione in uscita poco variabile rispetto alla tensione in ingresso. Ciò veniva sfruttato soprattutto nel passato quando, per stabilizzare tensioni a correnti elevate, era necessario dissipare parecchio calore, non essendo ancora usati i regolatori a commutazione (o switching). Poiché il trasformatore ferrorisonante fornisce un'onda sinusoidale un po' schiacciata e di ampiezza quasi costante al variare della tensione in ingresso, è particolarmente favorevole alla successiva stabilizzazione della tensione mediante dispositivi lineari, potendo risparmiare sulla differenza di tensione fra ingresso e uscita. Ne parlava ampiamente la rivista Onda Quadra n.12, 1981, il cui pdf è ormai disponibile liberamente[20].

Di impulso

Un trasformatore di impulso è ottimizzato per trasferire un impulso rettangolare. Modelli di piccola potenza (detti di segnale) sono usati in elettronica digitale e telecomunicazioni, in genere per adattare i circuiti alle linee di trasmissione e per attivare triac o scr. Modelli di medie dimensioni sono usati per controlli su circuiti di potenza, come per esempio per innescare i flash fotografici.

Per limitare la distorsione nella forma dell'impulso, il trasformatore deve avere basse perdite, bassa capacità distribuita ed alta induttanza a circuito aperto. Nei modelli di potenza deve essere bassa la capacità di accoppiamento tra primario e secondario, per proteggere i circuiti collegati al primario dagli impulsi di elevata tensione creati dal carico. Per la stessa ragione deve essere elevato l'isolamento.

La qualità di un trasformatore di impulso è determinabile con il prodotto tra la tensione di picco e la durata dell'impulso (o più esattamente l'integrale dell'impulso). Più alto è il valore, maggiore è il costo del trasformatore.

D'uscita

Questo tipo di trasformatore è utilizzato solitamente come adattatore d'impedenza. Normalmente è usato negli amplificatori audio valvolari per trasferire al primario, di norma ad impedenza più alta, la bassa impedenza del carico applicato al secondario. Infatti, solitamente, per questo tipo di trasformatori non viene definito direttamente il rapporto di trasformazione N delle tensioni ma il rapporto delle impedenze tra primario e secondario. Dal punto di vista matematico risulta che:

con e le impedenze del primario e del secondario.

Inoltre, in questa specifica applicazione, svolge anche il compito di separare la componente continua da quella alternata. Dal punto di vista costruttivo è come un normale trasformatore monofase con degli accorgimenti particolari. Prima di tutto il materiale dei lamierini: si usano solitamente lamierini con percentuale di silicio, però a grani orientati, oppure altri materiali più costosi (permalloy, ecc.). Un altro accorgimento che si pratica è quello di intercalare il primario con il secondario, in modo tale da aumentare l'accoppiamento tra gli avvolgimenti e diminuire la capacità parassita (e quindi estendere la banda passante) degli avvolgimenti. Nei trasformatori d'uscita per stadi single ended occorre aggiungere del traferro (aria o carta) al nucleo in modo tale da evitare la sua saturazione, visto che in questa configurazione l'avvolgimento primario è attraversato dalla corrente continua del tubo in un solo senso e non in due (ma opposti) come in quelli per push-pull, i quali non richiedono il traferro. In un amplificatore audio è un componente fondamentale, in quanto se di scarsa qualità può limitare pesantemente le prestazioni.

Parte fissa di un trasformatore rotante a 6 canali usato in un videoregistratore a 6 testine.

Rotante

Parte rotante del trasformatore, con visibili tre delle sei testine.

Un trasformatore rotante è un tipo specializzato di trasformatore, usato per accoppiare segnali elettrici tra due parti rotanti tra di loro. Un trasformatore rotante permette di superare i difetti tipici degli anelli collettori, come attrito, frizione, intermittenza del contatto e limitazione della velocità di rotazione.

Un trasformatore rotante è costruito con gli avvolgimenti primari e secondari in metà separate, montate poi una di fronte all'altra. La connessione tra le due metà degli avvolgimenti è assicurata dal flusso magnetico che fornisce l'induttanza reciproca dal primario al secondario.

L'uso più comune dei trasformatori rotanti è nei videoregistratori, per la trasmissione dei segnali di pilotaggio delle testine video montate su un tamburo rotante. La maggior parte dei videoregistratori richiede più di un segnale, e in questo caso si usano trasformatori rotanti a più canali, con più avvolgimenti concentrici. Nella foto si vede un trasformatore rotante con 6 avvolgimenti individuali.

Un altro uso è per trasmettere segnali dai sensori di coppia sui motori elettrici, per controllarne la velocità e la coppia generata tramite retroazione.

A pompa di fase

Sono trasformatori in cui viene aggiunto un avvolgimento ausiliario genericamente costituito da poche spire. La tensione prelevata ai capi di tale avvolgimento si modifica proporzionalmente alla potenza erogata. Collegando un opportuno circuito a questo avvolgimento è possibile misurare l'erogazione istantanea di potenza ed agire mediante circuiti appositi di compensazione (come ad esempio un trasformatore ausiliario posto in serie all'avvolgimento primario) per variare la tensione primaria. Da qui la "pompa di fase", che dà il nome a questa tipologia di trasformatori.

Questa compensazione permette, qualora necessario, di implementare alimentatori a potenza costante.

Per piccolissime potenze vengono utilizzati i trasformatori cosiddetti "Chicken-Butt" (a causa della caratteristica forma) con nucleo in ferrite e conduttori in Alluminio-Nickel-Cobalto (AlNiCo) che, a scapito di una bassissima potenza erogabile offrono una banda passante molto estesa (si utilizzano in maniera massiccia in campo audio, negli stadi di pre-amplificazione e in telecomunicazioni); occorre prestare estrema attenzione nell'utilizzo dei C-B in quanto, se sovraccaricati, tendono a spezzare il nucleo in ferrite con relativa, pericolosa, proiezione di schegge.

Trasformatori audio

I trasformatori audio sono quelli progettati appositamente per i circuiti a frequenze audio. Tali trasformatori furono progettati originariamente per collegare vari sistemi telefonici differenti, mantenendo le rispettive alimentazioni separate, e sono ancora generalmente utilizzati per interconnettere sistemi audio professionali o vari componenti del sistema audio.

Possono venire impiegati nei circuiti bilanciati per bloccare le interferenze a radiofrequenza sulle linee di trasmissione, oppure le componenti a corrente continua di un segnale audio (benché sia più facile adoperare i condensatori), ma anche per scindere o combinare segnali audio o per fornire vari accoppiamenti tra circuiti a bassa e alta impedenza, come tra amplificatori a valvole ad alta impedenza (> 300 Ω) e altoparlanti a bassa impedenza (< 24 Ω), o per circuiti simili costituiti da amplificatore-cuffia, ed anche tra l'uscita ad alta impedenza di uno strumento musicale elettroacustico e l'entrata a bassa impedenza (ad esempio) di una console di missaggio, ecc.

Essendo dispositivi elettro-magnetici, i trasformatori audio risultano piuttosto suscettibili ai campi magnetici esterni, come quelli generati dai conduttori percorsi da una più alta corrente, spesso alternata (dei circuiti di alimentazione, ad esempio); infatti, ronzio è il termine comunemente usato per descrivere il rumore di quei segnali indesiderati, causati dalla rete principale di alimentazione (tipicamente, a 50 o 60 Hz).

I trasformatori audio impiegati per i segnali di basso livello, come quelli per microfoni o testine di lettura dei dischi in vinile, possiedono sovente uno schermo di lamierino di Mu-metal che li ingloba, per schermarli dai campi magnetici estranei ed accoppiabili magneticamente.

Trasformatori di misura

Trasformatori di corrente

I trasformatori di misura sono usati per misurare tensioni e correnti nei sistemi di alimentazione di potenza elettrica, e per la protezione e il controllo dei medesimi. Dove una corrente o una tensione è troppo elevata per essere opportunamente usata da uno strumento, possono essere ridotti a un valore basso standard. I trasformatori di misura isolano la circuiteria di misura, protezione e controllo dalle tensioni o correnti elevate presenti nei circuiti che si stanno misurando o controllando. Un trasformatore di corrente è progettato per fornire una corrente nel suo secondario proporzionale alla corrente che scorre nella bobina del suo primario.

I trasformatori di tensione sono progettati per avere un rapporto di trasformazione noto accuratamente tanto in fase quanto in ampiezza, sopra una gamma di impedenze. Il trasformatore di tensione è stato inteso a presentare un carico trascurabile all'alimentazione che si sta esaminando. La tensione secondaria bassa consente che equipaggiamenti di protezione a relè e strumenti di misura siano operati a tensioni più basse.

Tanto i trasformatori di misura di corrente quanto quelli di tensione sono progettati per avere delle caratteristiche prevedibili con i sovraccarichi. Un corretto funzionamento dei relè di protezionerichiede che i trasformatori di corrente forniscano un rapporto di trasformazione anche durante un cortocircuito.

Trasformatore di tensione (TV)

È il trasformatore classico descritto precedentemente. La tensione sul secondario è costante e determinata dal rapporto nel numero di spire. Gli avvolgimenti possono avere prese intermedie che permettono di decidere all'installazione tra diversi rapporti, per esempio per utilizzare un'apparecchiatura su reti elettriche a diversa tensione nominale. Le prese intermedie sul secondario, oppure avvolgimenti secondari aggiuntivi, permettono di avere a disposizione diversi valori di tensione contemporaneamente.

Fornisce sul secondario una corrente proporzionale alla corrente circolante nel primario. Usato nei sistemi di misura per correnti elevate al fine di ridurle a valori più facilmente misurabili (il valore più diffuso della corrente del secondario è di 5A). È costituito da un nucleo toroidale al cui interno passa il cavo (anche isolato) sul quale deve essere effettuata la misura e su cui è avvolto il filo del secondario. È importante che il secondario sia sempre in cortocircuito sullo strumento di misura per evitare la formazione di tensioni pericolosamente elevate. Sono usati nei sensori di una pinza amperometrica.

Trasformatori superconduttori

Nel caso dei circuiti superconduttori è possibile avere trasformatori che al limite trasformano anche la corrente continua[21]. In questo caso si hanno come nel classico trasformatore un primario ed un secondario avvolti non necessariamente su un nucleo ferromagnetico. L'interesse di tali trasformatori è nel campo della ricerca e nell'uso degli SQUID la cui sensibilità minima in corrente determinata dalla loro piccola induttanza di ingresso può essere aumentata di vari ordini di grandezza.

Studio e prove sul trasformatore

Funzionamento a vuoto

Si ha quando non ci sono carichi alimentati dal circuito secondario, quindi e quindi è nulla anche mentre circola solo corrente nella prima parte del circuito primario quindi .

Ricordando lo schema di trasformatori reali dove:

  • definisco impedenza a vuoto al primario
  • si trascura:
tipicamente di un fattore 1000.
  • la resistenza e l'induttanza al secondario non sono attraversate da corrente quindi vengono sostituite con un circuito aperto.

si ottiene così lo schema di funzionamento a vuoto (sopra riportato).

Questo schema ci dà un'idea delle perdite nel ferro perché legate all'impedenza e quindi della relativa perdita di potenza che ci sarà utile per il calcolo del rendimento del trasformatore.

Funzionamento in corto circuito

Si ha una configurazione di corto circuito quando si sostituisce il carico con un corto circuito: in questo caso si annullerà la tensione e le correnti vengono chiamate correnti di cortocircuito (la tensione dovrà essere opportunamente ridotta per non generare correnti che guastino il trasformatore):

Per l'analisi del trasformatore in corto circuito, partendo dalla configurazione di trasformatore reale, si riportano al primario la resistenza e l'induttanza del secondario, mettendole in parallelo con e in serie con e

Adesso prendiamo in considerazione la prima parte dello schema proposto e definiamo l'impedenza al primario:

dove:

  • è definita resistenza in corto circuito a primario
  • è definita reattanza in corto circuito a primario
  • le resistenze e le reattanze del primario sono considerate in serie:
  • tipicamente di un fattore 1000, quindi viene trascurata.

Considerando la parte di destra dello schema, possiamo trasportare l'impedenza del primario al secondario e ottenere:

dove:

  • è definita resistenza in corto circuito a secondario
  • è definita reattanza in corto circuito a secondario

In conclusione il funzionamento in corto circuito è dipendente dalle impedenze al primario e al secondario , , quindi la potenza assorbita dal trasformatore in corto circuito è legata alle perdite dovute alle resistenze quindi alle perdite nel rame; questa considerazione ci sarà utile per il calcolo del rendimento del trasformatore.

Prova a vuoto

La prova a vuoto serve per determinare i componenti del circuito equivalente del ramo magnetizzante (trasversali), visti dal lato primario, le perdite nel ferro dovute al nucleo ferromagnetico e la caratteristica a vuoto della macchina.[22]

Lo schema prevede l'utilizzo dei seguenti strumenti da collegare al primario:

  • 1 frequenzimetro, per controllare che la frequenza sia sempre quella nominale;
  • 1 variac (o qualora possibile un banco di alimentazione variabile), per regolare la tensione per ogni lettura da svolgere;
  • 3 amperometri;
  • 1 voltmetro;
  • 2 wattmetri in inserzione Aron (metodo per misurare la potenza assorbita da un circuito trifase equilibrato con l'utilizzo di soli due wattmetri) oppure tre wattmetri.

La prova viene svolta nel seguente modo:

  • Viene alimentato il trasformatore alla frequenza nominale (50 Hz per i paesi Europei, Africa e Medio Oriente, 60 Hz per le Americhe) e con una tensione leggermente superiore alla tensione nominale: ad esempio
  • Tramite un variac (autotrasformatore) viene abbassata gradualmente la tensione di alimentazione fino al valore 0, effettuando per ogni tensione diverse letture di intensità di corrente e potenza, riportando il tutto in una tabella.
  • Con i dati ricavati è possibile costruire dei grafici e determinare graficamente il valore della

I grafici sono:

Dai grafici è possibile determinare i valori nominali di intensità di corrente, potenza e (tutti riferiti al funzionamento a vuoto) in corrispondenza del valore della tensione nominale di funzionamento. In particolare: il valore di potenza nominale a vuoto ricavato dal grafico è proprio il valore di .

Perdite e rendimento

I trasformatori reali presentano due tipi di perdite:

  • perdite nel rame dovute all'effetto Joule che si manifesta negli avvolgimenti percorsi da corrente:

quindi definiamo il rendimento:

dove:

  • potenza utile al secondario
  • potenza disponibile al primario

Da ricordare che il rendimento è funzione della condizione di carico, questo deriva dal fatto che le perdite nel ferro dipendono dalla tensione e quindi sono pressoché costanti, mentre le perdite nel rame dipendono dal quadrato dell'intensità di corrente e dalla resistenza degli avvolgimenti. Maggiore è l'intensità di corrente, maggiori sono le perdite per effetto joule. Inoltre la resistenza non è costante, ma è variabile in funzione della temperatura, il che significa che anche la temperatura di lavoro influenza il rendimento effettivo del trasformatore.

Il trasformatore è la macchina elettrica a maggiore rendimento, dove più un trasformatore è grande, maggiore è il suo rendimento: i trasformatori di potenza molto piccola (da 1 a 10 Watt) hanno una efficienza dell'85% appena, mentre i trasformatori più grandi (oltre i 20 kW) possono arrivare a un rendimento del 99,8% circa, inoltre il rendimento massimo per ogni singolo trasformatore lo si ha quando le perdite a vuoto sono uguali alle perdite in corto circuito, generalmente il rendimento massimo del trasformatore si ottiene con un carico pari ai ¾ del carico massimo[23].

Ogni trasformatore a seconda di come viene realizzato ha il rendimento massimo ad uno specifico livello di carico operativo rispetto alle condizioni più gravose (potenza nominale), rendimento che si può calcolare con la seguente formula:[24]

dove:

  • perdite a vuoto
  • perdite di corto circuito

Circuito equivalente

Le limitazioni fisiche del trasformatore effettivo possono essere riunite in un modello circuitale equivalente (mostrato sotto) costruito intorno a un trasformatore ideale senza perdite. La perdita di potenza negli avvolgimenti è dipendente dalla corrente ed è rappresentata come resistenze in serie RP e RS. Il flusso disperso provoca la caduta di una frazione della tensione applicata senza contribuire all'accoppiamento mutuo, e pertanto può venire modellato come reattanze di ciascuna induttanza di dispersione XP e XS in serie con la regione di accoppiamento perfetto.

Le perdite nel ferro sono provocate per la maggior parte dagli effetti di isteresi e correnti parassite nel nucleo, e sono proporzionali al quadrato del flusso nel nucleo a una data frequenza di funzionamento. Dato che il flusso nel nucleo è proporzionale alla tensione applicata, la perdita nel ferro può essere rappresentata da una resistenza RC in parallelo con il trasformatore ideale.

Un nucleo con permeabilità limitata richiede una corrente di magnetizzazione IM per mantenere il flusso di mutua induzione. La corrente di magnetizzazione è in fase con il flusso; gli effetti di saturazione fanno sì che la relazione tra i due non sia lineare, ma per semplicità questo effetto tende a essere ignorato nella maggior parte degli equivalenti circuitali. Con un'alimentazione sinusoidale, il flusso del nucleo ritarda rispetto alla FEM indotta e questo effetto può essere modellato come una reattanza di magnetizzazione (reattanza di un'induttanza reale) XM in parallelo con la componente dissipativa del nucleo. RC e XM sono talvolta denominati insieme ramo di magnetizzazione del modello. Se l'avvolgimento secondario risulta aperto, la corrente I0 assorbita dal ramo di magnetizzazione rappresenta la corrente a vuoto del trasformatore.

L'impedenza del secondario RS e XS è frequentemente spostata al lato del primario dopo avere moltiplicato i componenti col fattore di scala dell'impedenza .

Circuito equivalente del trasformatore

Il modello risultante è talora denominato circuito equivalente esatto, sebbene esso ritenga parecchie approssimazioni, come una presunzione di linearità. L'analisi può essere semplificata spostando il ramo di magnetizzazione alla sinistra dell'impedenza del primario, un'implicita assunzione che la corrente di magnetizzazione sia bassa, e quindi sommare l'impedenza primaria e quella secondaria trasferita, che risulta in una cosiddetta impedenza equivalente.

I parametri del circuito equivalente del trasformatore possono venire calcolati dai risultati di due prove del trasformatore: prova a circuito aperto e prova a cortocircuito.

Configurazione in parallelo

Porre due trasformatori in parallelo è giustificato da queste esigenze:

  • Variabilità del carico: non essendo sempre richiesta la potenza nominale di progetto sulla rete (es: esigenze domestiche o industriali sono variabili a seconda delle ore della giornata) così da abbassare sensibilmente il rendimento del trasformatore quando questo lavori lontano dalle condizioni di progetto (massimo rendimento con carichi oltre i 3/4 della potenza nominale del trasformatore, in caso di carico molto basso, al di sotto del 50% della potenza disponibile, può essere alimentato solo uno dei trasformatori in parallelo).
  • Affidabilità: nel caso di guasto di uno dei due trasformatori non risulta compromessa del tutto l'erogazione della rete
  • Manutenzione: si possono effettuare operazioni di manutenzione sui trasformatori disattivandoli alternativamente senza dover interrompere completamente l'erogazione del servizio.

Condizioni di funzionamento in parallelo

La configurazione di due trasformatori in parallelo impone:

  1. Condizioni sulle tensioni e sulle correnti:
  2. Che il trasformatore lavori più vicino alla condizione di massimo rendimento:
    se
  3. Dalla precedente condizione si ha che i due trasformatori lavorino entrambi alla loro potenza nominale, quella massima consentita di progetto:
  4. Per poter verificare la precedente condizione si deve avere che le due correnti in uscita dai trasformatori siano in fase tra loro.
  5. I due trasformatori debbono avere i rapporti di trasformazione uguali (condizione di utilizzo a vuoto)
  6. Devono avere i triangoli di corto circuito uguali (condizione di funzionamento in corto circuito).

Valori nominali dei trasformatori

Tabella valori nominali
tensione nominale primaria (V)
tensione nominale secondaria (V)
corrente nominale primaria (A)
corrente nominale secondaria (A)
potenza nominale (VA)
frequenza nominale (Hz)
rapporto di trasformazione
  • Tra i valori nominali di tensione e intensità di corrente sussistono le relazioni:
  • La potenza nominale è legata alle tensioni e correnti nominali dalle relazioni:
    per il monofase
    per il trifase

Note

  1. ^ Olivieri e Ravelli, Introduzione, in Elettrotecnica volume II Macchine elettriche, L.Monaco, 18ª ed., Padova, CEDAM Casa Editrice Dott. Antonio Milani, 1972, p. 5.
  2. ^ Lucia Frosini, PRINCIPI E ASPETTI COSTRUTTIVI DEI TRASFORMATORI (PDF), su www-9.unipv.it, Dipartimento di Ingegneria Industriale e dell’Informazione - Università di Pavia, p. 1. URL consultato il 28 febbraio 2025 (archiviato l'8 agosto 2024).
  3. ^ Annali scientifici: giornale di scienze fisiche, matematiche, agricoltura, industria, etc, 1855. URL consultato il 29 aprile 2019 (archiviato il 2 marzo 2019).
  4. ^ Un merito dimenticato di Giuseppe Colombo. Riconoscimenti esteri del concorso italiano ai lavori di Luciano Gaulard per la trasmissione di energia a distanza,"L'energia elettrica"13 (1936), n. 3, p. 150-153
  5. ^ Friedrich Uppenborn: History of the Transformer, p. 35.
  6. ^ (EN) Encyclopædia Britannica - Inez Whitaker Hunt, Nikola Tesla Serbian-American inventor, su britannica.com, 2020. URL consultato il 3 gennaio 2020 (archiviato il 28 dicembre 2019).
  7. ^ (EN) Popular Science, su books.google.it. URL consultato il 17 aprile 2009 (archiviato il 22 febbraio 2014).
  8. ^ Teresa Barbera e Giuseppe Mastropieri, UN PRIMO BILANCIO DELLA LIBERALIZZAZIONE DEL MERCATO ELETTRICO: FATTORI CRITICI PER LO SVILUPPO DELL’OFFERTA DI ENERGIA ELETTRICA (PDF), su tecnosophia.org. URL consultato il 17 aprile 2009 (archiviato dall'url originale il 22 febbraio 2014).
  9. ^ Vedi la voce Rifasamento.
  10. ^ Norma CEI EN 50160:2008 - Caratteristiche della tensione fornita dalle reti pubbliche di distribuzione dell'energia elettrica
  11. ^ Enel Distribuzione – La nostra rete, su enel.it. URL consultato il 6 ottobre 2022 (archiviato dall'url originale il 26 settembre 2014).
  12. ^ Norma CEI 11-1:1999. Impianti elettrici con tensione superiore a 1 kV in corrente alternata, (tab 4-2 e 4-3)
  13. ^ a b Copia archiviata (PDF), su die.ing.unibo.it. URL consultato il 17 aprile 2009 (archiviato il 17 giugno 2012).
  14. ^ Lloyd Dixon, Magnetics Design Handbook (PDF), in Copia archiviata, Texas Instruments. URL consultato il 4 febbraio 2014 (archiviato il 23 dicembre 2010).
  15. ^ a b Keith Billings, Switchmode Power Supply Handbook, 1999, ISBN 0-07-006719-8.
  16. ^ 400 Hz Electrical Systems, su Aerospaceweb.org. URL consultato il 21 maggio 2007 (archiviato il 4 ottobre 2018).
  17. ^ M. Borsani, Calcolo e progetto dei trasformatori industriali, Delfino.
  18. ^ S.V.Kulkarni e S.A.Khaparde, Transformer Engineering: Design and Practice, Marcel Dekker, 2004, ISBN 0-8247-5653-3.
  19. ^ Lezione 1-fondamenti, su ideomat.com. URL consultato il 17 aprile 2009 (archiviato dall'url originale il 21 ottobre 2009).
  20. ^ Luca Bulio, Regolatore di tensione alternata a nucleo risonante (PDF), su introni.it, 12 dicembre 1981, pp. 652-658. URL consultato il 18 aprile 2022 (archiviato il 6 aprile 2016).
  21. ^ S. Barbanera et. al. A SQUID device for ac meaurements down to 10-14 A, J. Appl. Phys., 49 905-909, 1978
  22. ^ Prova A Vuoto, su webalice.it. URL consultato il 17 aprile 2009 (archiviato dall'url originale il 4 marzo 2016).
  23. ^ Rendimento di un trasformatore monofase, su webalice.it. URL consultato il 1º luglio 2016 (archiviato dall'url originale il 6 agosto 2016).
  24. ^ FUNZIONAMENTO AL MASSIMO RENDIMENTO

Bibliografia

  • Mario Cimini, Diego Bosetto, Fiorenzo Stevanato - Il macchinario di trasformazione di potenza - Principi di funzionamento, esercizio e manutenzione - Gruppo GEDI editore - Roma - 2019 - ISBN 978-88-9235-604-7
  • Ignazio Marongiu, Enrico Pagano, I trasformatori - Appunti dalle lezioni, Liguori, 1994. ISBN 978-88-207-1234-1
  • Ernesto Carbone, Calcolare e costruire piccoli trasformatori e autotrasformatori, Sandit Libri, 1990.
  • William M. Flanagan, Trasformatori e loro applicazioni, Tecniche Nuove, 1989, ISBN 88-7081-343-6
  • Andriollo Mauro, Martinelli Giovanni, Morini Augusto, I trasformatori. Teoria ed esercizi, Cortina (Padova), 2003. ISBN 88-7784-239-3
  • Riccardo Miglio, Trasformatori monofasi, trifasi e speciali. teoria e guida alle esercitazioni, Esculapio. ISBN 88-85040-94-2
  • Enzo Coppi, Impianti elettrici - Il trasformatore, Ulrico Hoepli, 1964.
  • Ernesto Carbone, La costruzione e il calcolo dei piccoli trasformatori, Editoriale Delfino, 1966.

Voci correlate

Altri progetti

Collegamenti esterni

Controllo di autoritàThesaurus BNCF 25275 · LCCN (ENsh85042014 · GND (DE4130713-6 · BNF (FRcb11933696q (data) · J9U (ENHE987007538472905171 · NDL (ENJA00563086