Generatore elettrico

Un generatore elettrico è un dispositivo che genera energia elettrica convertendo energia di altro tipo. Un generatore elettrico è sede delle interazioni tra fenomeni elettrici e fenomeni di altra natura, come ad esempio la batteria di accumulatori delle autovetture trasforma energia chimica in energia elettrica.
Definizione
Nella teoria dei circuiti un generatore elettrico è un elemento che eroga una certa tensione o corrente, si parla quindi di generatore di tensione o generatore di corrente.
Esso si suddivide in due tipi:
- Il generatore di tensione produce una tensione elettrica definita e costante (o comunque con andamento prefissato in funzione del tempo). Il variare del carico applicato comporta una variazione della corrente uscente dal generatore secondo quanto previsto dalla legge di Ohm.
- Il generatore di corrente produce una corrente elettrica definita, e al variare del carico varia la tensione in uscita dal generatore in modo che, per effetto della legge di Ohm la corrente si mantenga al valore corretto.
Generatore elettrico ideale
I generatori ideali si definiscono tali perché hanno resistenza interna nulla. I generatori ideali, ovviamente, non sono implementabili realmente: sarebbero infatti in grado di erogare una potenza arbitrariamente grande (se necessario infinita, ad esempio in cortocircuito). Infatti, dato un generatore ideale di tensione, essendo la corrente non vincolata, la potenza erogata ai suoi morsetti può assumere qualsiasi valore tra più e meno infinito (stesso dicasi per i generatori ideali di corrente). Un generatore ideale è quindi in grado di erogare o assorbire una potenza arbitraria, il che è fisicamente impossibile.
Malgrado questo fatto, i generatori ideali sono essenziali nello studio delle reti elettriche, infatti:
- qualsiasi generatore reale si comporta approssimativamente come un generatore ideale se la potenza che sta erogando è piccola rispetto alla potenza massima che è in grado di erogare.
- qualsiasi generatore reale può essere rappresentato dalla combinazione di un generatore ideale con una impedenza.
In particolare, dal secondo punto deriva la necessità di "adattare il carico" al generatore (cfr. Bipolo)
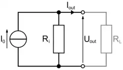
Modello circuitale e caratteristiche del generatore elettrico reale


Un generatore reale di tensione elettrica può essere rappresentato come un generatore ideale di tensione con esplicitata in serie un'impedenza interna, mentre il generatore reale di corrente può essere rappresentato come un generatore ideale di corrente con in parallelo un'impedenza.
I generatori ideali però a differenza dei reali, sarebbero in grado di erogare una potenza arbitrariamente grande, infinita nel caso di un cortocircuito. Infatti, dato un generatore ideale di tensione, essendo la corrente non vincolata, la potenza erogata ai suoi morsetti può assumere qualsiasi valore tra più e meno infinito (stesso dicasi per i generatori ideali di corrente). Nonostante sia fisicamente impossibile, questo comportamento è approssimato dai generatori reali se la potenza che stanno erogando è piccola. Nei generatori reali esiste un valore limite di tensione oltre il quale la corrente crolla a zero.
Implementazione
Generatori a induzione
Si basano sulla induzione elettromagnetica di corrente elettrica in un circuito per effetto della legge di Faraday e sono i più importanti in termini di produzione di energia elettrica, nella categoria si ha dinamo, per la produzione di corrente continua, e l'alternatore, in grado di generare corrente alternata.
Sono stati comunque provati eventi di generazione elettrica a partire dal moto di un conduttore elettrico in un campo magnetico in condizioni del tutto peculiari, tra questi si ricorda l'esperimento del "sistema di satelliti al guinzaglio", o Tethered Satellite System.
Generatori elettrochimici
Quando l'elettricità è prodotta da una reazione di ossidoriduzione si ha un generatore elettrochimico e I più comuni sono le pile e la cella a combustibile. le prime funzionano con soluzioni saline mentre le seconde con idrogeno ed ossigeno
Altri tipi di generatori
Nelle altre tecnologie in genere la potenza prodotta è inferiore e il costo dell'energia prodotta da sistemi diversi è superiore a quello ottenibile da generatori elettrodinamici, per questo motivo le applicazioni di altri tipi di tecnologie sono limitate ad alcuni settori di nicchia.

Generatori a radioisotopi
La generazione nel generatore termoelettrico a radioisotopi è basata su decadimenti di un Isotopo radioattivo questo produce emissione di particelle e calore. La produzione di elettricità può essere ottenuta direttamente dallo spostamento delle particelle elettricamente cariche, oppure indirettamente a partire dal calore prodotto dai decadimenti.
Generatori a differenza termica
La produzione di elettricità è ottenuta a partire da una differenza di temperatura tra due superfici per effetto Seebeck, il sistema può sfruttare, sia pure con rendimenti modesti, qualunque dislivello termico.
Generatori fotovoltaici
Il pannello fotovoltaico è in grado di convertire direttamente la radiazione luminosa in energia elettrica ed è conveniente in zone con ottimo irraggiamento solare, sfruttando l'effetto fotoelettrico.
Generatori a piezoelettricità
I generatori a piezoelettricità sfruttano la proprietà di particolari cristalli (tormaline) di produrre una differenza di potenziale se sottoposti a compressione. Il fenomeno è sfruttato in alcuni tipi di accendigas da cucina da molti decenni, ma recentemente i primi pulsanti di pressione per lanciare un comando funzionanti senza bisogono di una pila all'interno, applicati in interruttori di casa.
Generatori a piroelettricità
I generatori a piroelettricità sfruttano la proprietà di taluni cristalli (tormaline) di generare una differenza di potenziale sulle due facce opposte, se sottoposti a un aumento di temperatura.
Altri progetti
Wikizionario contiene il lemma di dizionario «generatore»
Wikimedia Commons contiene immagini o altri file su generatore
Collegamenti esterni
- generatore, su Treccani.it – Enciclopedie on line, Istituto dell'Enciclopedia Italiana.
- (EN) Gordon R. Slemon, electric generator, su Enciclopedia Britannica, Encyclopædia Britannica, Inc.
- (EN) generator, su Enciclopedia Britannica, Encyclopædia Britannica, Inc.
- Generatore elettrico, in Treccani.it – Enciclopedie on line, Roma, Istituto dell'Enciclopedia Italiana.
| Controllo di autorità | Thesaurus BNCF 25813 · LCCN (EN) sh85041707 · GND (DE) 4020119-3 · BNF (FR) cb11976916m (data) · J9U (EN, HE) 987007536063305171 · NDL (EN, JA) 00563022 |
|---|