Group technology

Trasporto materiali in un impianto per reparti
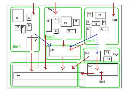
Trasporto materiali in un impianto cellulare

L'idea base del concetto di Group Technology (GT) è quello di suddividere un insieme tecnologico (ad esempio un insieme di parti) in sottoinsiemi tra di loro simili chiamati famiglie. Lo scopo di questa suddivisione è quello di ottenere dei vantaggi economici (sia in termini di costo che di tempi) ed organizzativi.

Il concetto di Group Technology può essere utilizzato sia a livello tecnologico per suddividere un insieme di parti in famiglie simili tra loro, sia a livello impiantistico al fine di individuare un set di risorse in grado di effettuare lavorazioni su famiglie omogenee di pezzi (cellular manufacturing).

Le applicazioni della GT nel campo della produzione sono relative quindi ai seguenti campi:

  • la progettazione dei pezzi (progettazione di prodotto);
  • la progettazione dei cicli di lavorazione (progettazione di processo);
  • l'organizzazione della produzione (layout degli impianti, scheduling).

A livello impiantistico la GT è rivolta ad organizzare il sistema di produzione in un “cellular manufacturing systems” in base ai seguenti step:

  1. Classificazione e codifica della parti; l'obiettivo di questo primo passo della metodologia è il raggruppamento delle parti in famiglie omogenee; ad ogni famiglia omogenea è assegnato un codice identificativo;
  2. Progettazione del sistema cellulare; il processo consiste nella individuazione di famiglie di risorse produttive che possono essere specializzate per la produzione di determinate famiglie di pezzi e che quindi possono costituire una cella.

A livello tecnologico la GT è essenzialmente riferita al raggruppamento in famiglie di pezzi. Come detto una famiglia è costituita da un insieme di pezzi simili tra loro. Un raggruppamento può essere effettuato in base a 2 tipologie di caratteristiche di pezzi, ovvero:

  • caratteristiche morfologiche, da cui si ricavano raggruppamenti morfologici o famiglie morfologiche: riguardano la forma dei pezzi, cioè principalmente le caratteristiche geometriche di forma dei pezzi stessi. In tal modo i pezzi vengono raggruppati secondo famiglie di forma simile.
  • caratteristiche tecnologiche, da cui si ricavano raggruppamenti tecnologici o famiglie tecnologiche: riguardano invece i cicli di lavorazione richiesti dai pezzi, per cui i pezzi vengono raggruppati in famiglie in base a cicli di lavorazioni simili.

Per il passaggio da un layout di tipo job shop a uno a celle, si esegue una part routing matrix che incrocia famiglie di codici o singoli articoli con i centri di lavoro attraversati durante la lavorazione e assegna un punteggio on/off (0 se non attraversato; 1 se attraversato), ovvero un peso proporzionale al tempo di lavorazione assegnato nelle fasi che riguardano un determinato centro di lavoro. La matrice viene poi diagonalizzata, ordinando gli elementi di riga e colonna in modo da individuare delle aree non vuote, ossia prodotti che attraversano centri simili e sono i candidati alla produzione di una certa cella.

I cicli di lavorazione contengono le informazioni necessarie per questo tipo di analisi. Il ciclo riporta una serie di operazioni per ottenere il materiale, il centro di lavoro o della risorsa umana che segue la fase, una descrizione, il tempo assegnato per l'esecuzione dell'operazione e l'eventuale attrezzaggio.

Oltre al problema tecnologico, occorre una riprogettazione organizzativa, tenendo conto che il personale di una cella deve avere più competenze di quello di un reparto, dovendo presidiare macchine utensili diverse che si utilizzano per la stessa famiglia di prodotti. In questo caso, le risorse umane devono essere confrontate con le competenze richieste per programmare e presidiare una certa macchina utensile.

Classificazione e codifica delle parti

I metodi di classificazione si suddividono, in base alla tipologia di approccio in:

  • Sistemi basati sugli attributi morfologici delle parti;
  • Sistemi basati sugli attributi tecnologici delle parti;
  • Sistemi ibridi.

Esistono due metodologie di classificazione:

  • i metodi visuali: (non più utilizzati) consentono il raggruppamento in famiglie in base alla somiglianza che l'analista riscontra tra le varie parti da raggruppare.
  • i metodi basati sulla codifica: consentono di raggruppare i pezzi assegnando loro un codice che tiene conto delle loro caratteristiche morfologiche e/o tecnologiche (a seconda del sistema di codifica utilizzato). I metodi di codifica sono basati sull'applicazione di due passi successivi: la codifica: a ciascun pezzo viene assegnato un opportuno codice in grado di descriverne le caratteristiche; e la classificazione: i pezzi vengono classificati in famiglie aventi codici simili. I codici che si utilizzano per applicazioni di GT possono essere di diversi tipi. Più numerosi sono i digit del codice, più informazioni il codice è in grado di rappresentare, ma è anche più complesso da gestire.

Un forte aiuto nella classificazione e codifica delle parti viene dalle tecnologie informatiche (Computer-aided process planning).